Other Parts Discussed in Thread: TINA-TI,
Tool/software: TINA-TI or Spice Models
When trying to run simulation for bq25505, this error appeared " ERROR(ORPSIM-15108): Subcircuit BQ25505 used by X_U1 is undefined ". Please help!
This thread has been locked.
If you have a related question, please click the "Ask a related question" button in the top right corner. The newly created question will be automatically linked to this question.
Thanks I have just included it. But now I am only getting the circuit description file, still couldn't get the waveform, getting this error here:
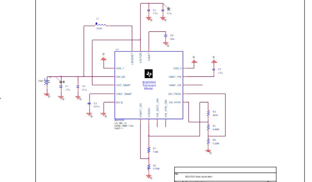
This might be a simple simulation problem, but I could not get it with this bq25505 transient model. Normal circuits waveform are able to be obtained. Please help. My bq25505 model diagram is below:
bq25505 solar-PSpiceFiles.zipbq25505 solar-PSpiceFiles.zip
For the test bench I am simulating it with input VIN_DC as 2V, time transient for 5s. Voltage probe points at VIN_DC, VSTOR and VBAT_SEC to see if battery charging operation is occuring.