Tool/software: WEBENCH® Design Tools
Hi,
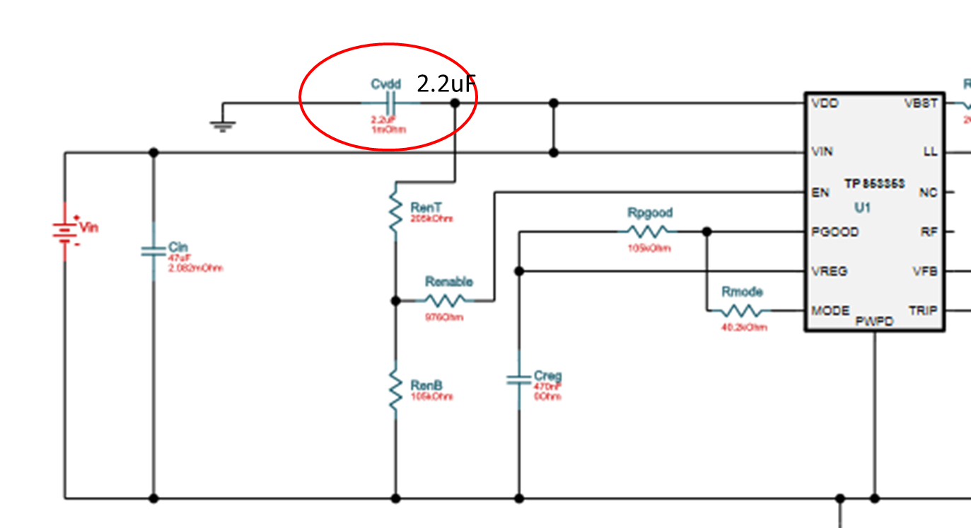
The simulation tool Webench suggests 2.2uF VDD cap for TPS53353 while we use 4.7uF in datasheet.
Some customer has questions for this capacitor and wants to know if Webench can figure out the different for different capacitor value though simulation?
Can you give some comments?
Thanks a lot.
