This thread has been locked.

If you have a related question, please click the "Ask a related question" button in the top right corner. The newly created question will be automatically linked to this question.

WEBENCH® Tools: General questions about TINA "Noise Analysis" simulation



Tool/software: WEBENCH® Design Tools

Hi,

I have several general questions about TINA "Noise Analysis" to complete circuit:

  1. When performing noise analysis, dose the TINA "Total Noise" output tab already including the sum of op amp voltage noise, op amp current noise, and peripheral resistor thermal noise? (As in Appendix 1- resistors without any simulation model- just simple resistor values)?
  2. Does the value of the input signal is relevant to the noise simulation? For example, let's say configure the input (VG1) to outcome minimum output (Vout) value and once more with maximum output value (All within the spec).
  3. If I'm having cascading LPF circuit (passive and or active, ad showed in appendix 2), those the "Total Noise" will be the total after including all other noises, gains, Catting frequencies, Brick walls and to on… in other words, according to appendix 2, should I expecting to ~700uVrms noise, at ~3MHz, from the complete cascaded filters?
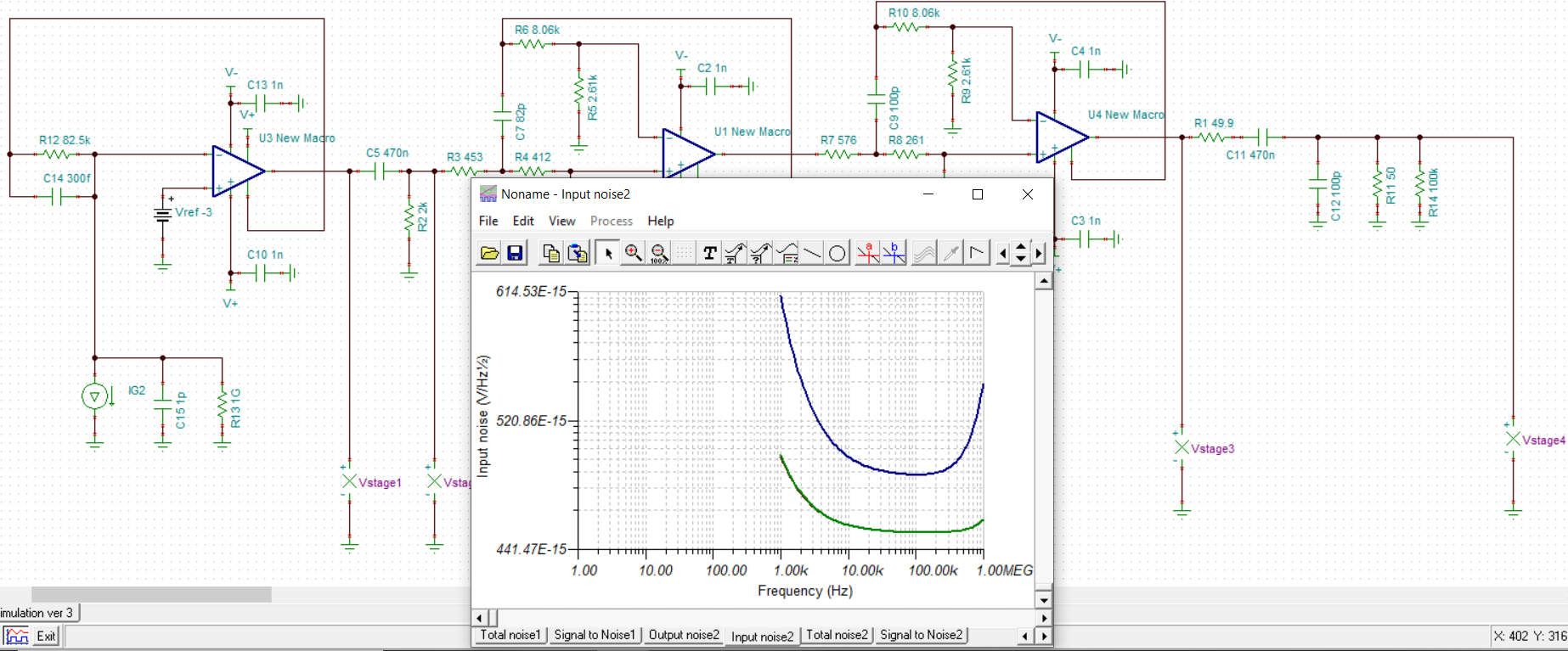
  4. In the Noise simulation analysis, the "input noise" is referring to the amplifier noise before multiplying by the gain stage, right? (The one that I can compare with the datasheet of the amplifier, See appendix 1 for ref)? What will happened in cascading? (such as filter with several active stages, see appendix 3 for ref)

Thank you very much.

Idan

Appendix 1:

 Appendix 2:

Appendix 3: