Tool/software: WEBENCH® Design Tools
Hi all,
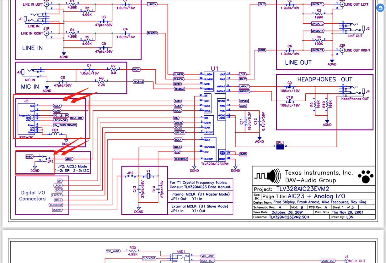
Using the TLV320AIC23EVM2 for configuring the register by SPI,and GUI use our own SPI tool.Now i want to know if my connection is right.
In master mode :
My connection is following:
1)JP1 is connection 1-2;
2) J5 :
LRCLK-DIR,BCLK-DIR,DIG-LB-EN are all powered down.
SCLK connect the clk of SPI, SDIN connect the MOSI of SPI.
BR!
GUO
