This thread has been locked.

If you have a related question, please click the "Ask a related question" button in the top right corner. The newly created question will be automatically linked to this question.

Programming CC2541 and Antenna

Other Parts Discussed in Thread: CC2541, CC2540

I am going to start a project with the CC2541 and I have a couple of questions that don't seem to have been directly answered in these forums.

1) What should I use to program the CC2541? I know I could use the CC Debugger, but is it possible to program the CC2541 through the CC2540 USB dongle module? If so, how would I go about doing this? In addition, which one is preferred or more efficient? 

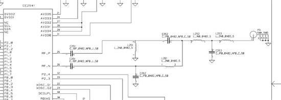
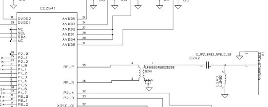
2) Do I have to follow the different schematics for PCB and SMA antennas? The first picture shows the schematic for an SMA antenna while the second pic shows the schematic for a PCB antenna from the sensor tag. Will any SMA antenna work as long as it's in the 2.4GHz range? What about a chip antenna like the W3008 (http://www.mouser.com/ProductDetail/Pulse/W3008/?qs=zks35mai6wPZzmB9UUEm6A==) or the Fractus (http://www.fractus.com/sales_documents/FR05-S1-N-0-102/UM_FR05_S1_N_0_102.pdf)  Which schematic should I follow? 

EDIT: Forgot the pictures
SMA Antenna schematic

PCB Antenna schematic