Other Parts Discussed in Thread: CC-DEBUGGER, CC2530, CC2591
Hi,
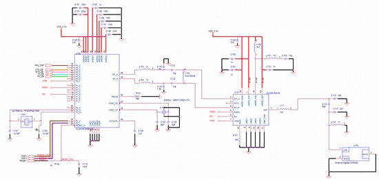
I have a problem with CC-debugger :
When i try to program my CC2530 boards, (led of the CC-debugger is green) it shows a popup telling : "Warning : failed to erase flash" then it tells that the debugger initialization should have failed.
Then if i try again :
"Tue Aug 27, 2013 12:20:38: Failed to initialize communication, debug session aborted."
Our board is a custom board, but we are using successfully CC debugger for 2 years. Our new board is the same as the previous one, excepting the DD, DC and nReset wires a little bit longer (but not more than 10cm).
I checked the signal : it is arriving to the CC2530.
Sometimes (very rare), programming seems to work, some boards have even started (so they are working properly, it is only an evolution of our work.
Is there a capacitance or something like this to add to the debugging circuit to improve it stability ?
CC debugger has been updated to the latest version, and we are using an IAR 8.20.1 version with a dongle.
Thanks and best regards,
Valentin





