Hi,
We are currently developing a product based on the TRF7970A. I have a question regarding the maximum output current of the antenna driver.
According to the datasheet the absolute maximum Vin pin current is 150mA and typically each supply is derived from Vin. Vin in our application is 5V and we connect VDDRF to VDDPA to provide the antenna supply (as per application examples).
Further down in the datasheet it says the maximum PA output current is 150mA. But there is also mention of 200mW output power capability (assumed into 50R which would be 63mA RMS).
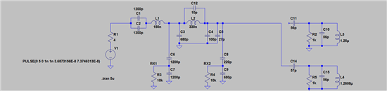
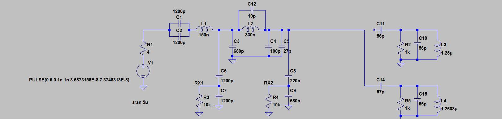
Our antenna coil is a different geometry to the TRF7970A development board but the same inductance and therefore we have the same matching components.
When we simulated the TRF7970A circuit we noticed that the output current from the chip is technically much higher than it is capable of producing (422mA peak).
I have measured the output current on the TRF7970A EVM and found that it is 220mA peak (157mA true-RMS from oscilloscope):
Our circuit (with the same components) shows the same result.
I would like to know if the TRF7970A internally limits the output current to a safe level or if the circuit is operating out of its limits and likely to damage the IC over time.
The theoretical current in the simulation seems to hint that it should be much higher, hence the thought that the chip is limiting the driver current.
Current above is in R1 (from driver) and 427mA peak.








