This thread has been locked.

If you have a related question, please click the "Ask a related question" button in the top right corner. The newly created question will be automatically linked to this question.

cc1120 crystal problem

Other Parts Discussed in Thread: CC1120

Hello.

I'm designing a prototype board with cc1120.  There is a problem, with a 32 Mhz Quantek quartz, the cc1120 is not running.

So I decided to remove the 32 Mhz crystal from my CC1120DK_EM_420_470 evaluation board, and try tu use it on my prototype. And with this 32Mhz crystal my prototype is running well. But I cant buy this crystal easyly from my  providers.

Can you tell me if I can use all the 32 Mhz crystals, or if it is necessary to use the same 32 Mhz epson crystal wich is running on the Ti evaluation board?.

The evaluation board is a CC1120DK_EM_420_470 one, and the crystal on the schématic is a "Epson Toyocom FA-128, 32MHZ, 10PPM, 10PF, 2x1.6mm, -40/+85C, 60ohms Q22FA1280009200   One.

Please, can you tell me if I can replace this crystal?, and how?, and why?

Best regards.

Benoît

  • Benoit, 

    We use a standard type XTAL, but the ESR cannot be above 60Ohm or the XTAL might not start in all conditions.

    Regards,
    /TA

  • Thank you for your answer.

    The ESR of  my XTAL  (Epson)  is 50 ohms.

    Recently, ,I tried with 2 capacitors smaller than the TI schématic feature, and now my prototype with my epson Xtal sometimes start... and sometimes not.... I will try some différents capacitors, and I will see....,

    Have you other idea for me?...

    Benoît (from France)

  • The crystal oscillator is design to work well with most standard AT cut SMD crystals with the spec given in 4.14 in the datasheet.

    - What is the spec for the xtal you used originally?

    - Do I read your post correctly: Do you have issues on your design with the Epson xtal taken from our EM? If so, please post the relevant part of the schematic and layout?

  • Thank you for your answer.

    I saw the 4.14 in the datasheet. No problem. I think it is corresponding with my Qantek crystal

    My qantek crystal on my prototype is:  QC3232.0000F12B12.

    I give you the link for the datasheet: of my quantek crystal:

    http://docs-europe.electrocomponents.com/webdocs/11ae/0900766b811aeca2.pdf

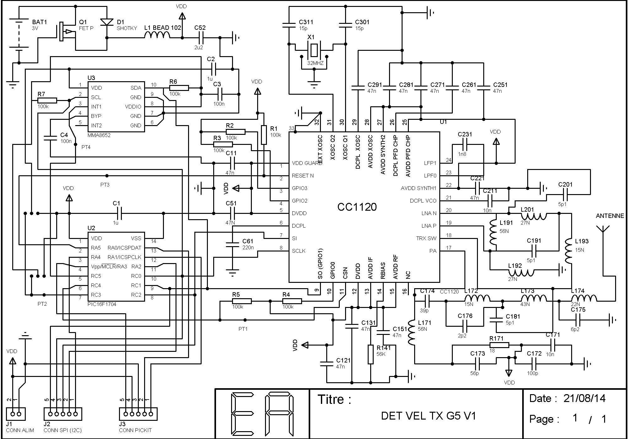
    I join my pdf schématic

    It is difficult for me to send  the layout, because it is a specific file  in our CAO. But I think the qantek xtal and the 2 x 15pF capacitors are mounted well, very near the cc1120. Tell me if it is necessary, , I'll try to make a pdf file for you.

    Best regards.

    Benoît.

  • Do you have issues on your design with the Epson xtal taken from our EM?

    It would be nice with the the relevant parts of the layout too since the schematic looks ok.

  • Yes, with the epson xtal taken from the EM, all is ok. I send and receive good packets, and the rssi is ok. And when I remove the epson xtal, and mount the qantek xtal (and no other change), it is not running.

    I join the relevant part of the layer.

    layer xtal.pdf
  • The layout and schematic looks good. I suspect that the issue is a spec point for the crystal not covered in our datasheet. In an internal document I found the maximum C0 should be 2 pF and your crystal is 5 pF.

  • Ok, I understand.

    The epson xtal seems very not easy to find in France. Please, can you give me other(s) manufacturer(s) name(s) and good(s) 32 Mhz  Xtal for the CC1120?

  • Check out NDK NX3225SA or similar

  • Eureka!!

    I found the answer for all the  XTAL problem:

    The CC1120 with a Qantek XTAL is running well....  The frequency is just a little bit different (20 Khz), I don't know why.. (so the rejection in RX mode is good!...)

    I saw that with the spectrum analyser. Now all is ok . We will look for another XTAL, or keep the qantek, (because the frequency is different but regular) and make a frequency offset.

    Thank you very much for your fast and efficient answers. It was great!...

    Best regards from France.

    Benoît.

  • Sorry, my answers was based on no life at all for the xtal. For a frequency equal to 20 kHz you would need to adjust the value of one of the two crystal load cap up or down to get a more accurate frequency. Use the smallest cap connected to Q1 input.

  • OK, I'll try to modify cap on Q1. 

    My qantek xtal gives a bad frequency (+ 20 KHz). But all the qantek XTALs give the same bad frequency. So if I mount only  qantek XTALs on transceivers for tx and rx, there is not problem.... because the error will give the same frequency for transmitter and receiver...

    Thank you for all.

    Benoît