Hello,
I am using TRF7970EVM and commercialized external power amplifier to increase reading range.
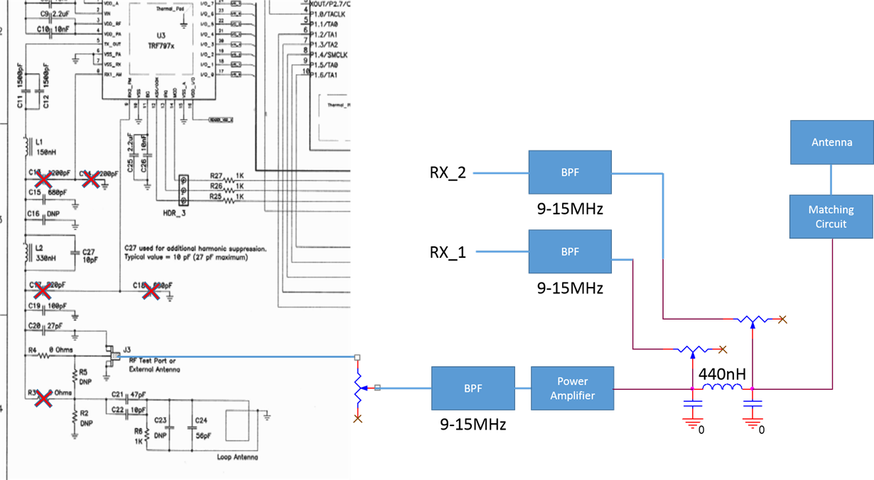
As shown in schematic attached, I inserted inductor and two capacitors for 45 degree phase shift and those were connected to RX pins.
The waveform at RX pins showed perfect 45 degree shift and its amplitude was adjusted to be 3V.
Surprisingly, when output power is less than 1W, it worked but it does not work anymore when I increase a power a little bit.
The magnetic field is strong enough: transmitting power is confirmed.
I am reading data from RF430FRL152HEVM.
I also tired to change Regulator & I/O control register settings (B6) but it did not help.
Could anyone guide me to right way? I am not RF expert so I think there are terrible mistakes...
