This thread has been locked.

If you have a related question, please click the "Ask a related question" button in the top right corner. The newly created question will be automatically linked to this question.

CCS/RF430FRL152H: Issue: I2C communication between MSP430G2553 and MSP430FRL152H

Part Number: RF430FRL152H
Other Parts Discussed in Thread: MSP430G2553, , , RF430CL330H, RF430CL331H

Tool/software: Code Composer Studio

Hi,

I am facing Issue in  I2C communication between MSP430G2553 and MSP430FRL152H . I am using MSP430FRL152H as a slave device. 

For Master : i have picked example code from \slac485j\MSP430G2xx3_Code_Examples\C\msp430g2xx3_uscib0_i2c_08.c

/* --COPYRIGHT--,BSD_EX
 * Copyright (c) 2012, Texas Instruments Incorporated
 * All rights reserved.
 *
 * Redistribution and use in source and binary forms, with or without
 * modification, are permitted provided that the following conditions
 * are met:
 *
 * *  Redistributions of source code must retain the above copyright
 *    notice, this list of conditions and the following disclaimer.
 *
 * *  Redistributions in binary form must reproduce the above copyright
 *    notice, this list of conditions and the following disclaimer in the
 *    documentation and/or other materials provided with the distribution.
 *
 * *  Neither the name of Texas Instruments Incorporated nor the names of
 *    its contributors may be used to endorse or promote products derived
 *    from this software without specific prior written permission.
 *
 * THIS SOFTWARE IS PROVIDED BY THE COPYRIGHT HOLDERS AND CONTRIBUTORS "AS IS"
 * AND ANY EXPRESS OR IMPLIED WARRANTIES, INCLUDING, BUT NOT LIMITED TO,
 * THE IMPLIED WARRANTIES OF MERCHANTABILITY AND FITNESS FOR A PARTICULAR
 * PURPOSE ARE DISCLAIMED. IN NO EVENT SHALL THE COPYRIGHT OWNER OR
 * CONTRIBUTORS BE LIABLE FOR ANY DIRECT, INDIRECT, INCIDENTAL, SPECIAL,
 * EXEMPLARY, OR CONSEQUENTIAL DAMAGES (INCLUDING, BUT NOT LIMITED TO,
 * PROCUREMENT OF SUBSTITUTE GOODS OR SERVICES; LOSS OF USE, DATA, OR PROFITS;
 * OR BUSINESS INTERRUPTION) HOWEVER CAUSED AND ON ANY THEORY OF LIABILITY,
 * WHETHER IN CONTRACT, STRICT LIABILITY, OR TORT (INCLUDING NEGLIGENCE OR
 * OTHERWISE) ARISING IN ANY WAY OUT OF THE USE OF THIS SOFTWARE,
 * EVEN IF ADVISED OF THE POSSIBILITY OF SUCH DAMAGE.
 *
 *******************************************************************************
 * 
 *                       MSP430 CODE EXAMPLE DISCLAIMER
 *
 * MSP430 code examples are self-contained low-level programs that typically
 * demonstrate a single peripheral function or device feature in a highly
 * concise manner. For this the code may rely on the device's power-on default
 * register values and settings such as the clock configuration and care must
 * be taken when combining code from several examples to avoid potential side
 * effects. Also see www.ti.com/grace for a GUI- and www.ti.com/msp430ware
 * for an API functional library-approach to peripheral configuration.
 *
 * --/COPYRIGHT--*/
//******************************************************************************
//  MSP430G2xx3 Demo - USCI_B0 I2C Master TX multiple bytes to MSP430 Slave
//
//  Description: This demo connects two MSP430's via the I2C bus. The master
//  transmits to the slave. This is the master code. It continuously
//  transmits an array of data and demonstrates how to implement an I2C
//  master transmitter sending multiple bytes using the USCI_B0 TX interrupt.
//  ACLK = n/a, MCLK = SMCLK = BRCLK = default DCO = ~1.2MHz
//
//  *** to be used with "msp430g2xx3_uscib0_i2c_09.c" ***
//
//                                /|\  /|\
//               MSP430G2xx3      10k  10k     MSP430G2xx3
//                   slave         |    |        master
//             -----------------   |    |  -----------------
//           -|XIN  P3.1/UCB0SDA|<-|---+->|P3.1/UCB0SDA  XIN|-
//            |                 |  |      |                 |
//           -|XOUT             |  |      |             XOUT|-
//            |     P3.2/UCB0SCL|<-+----->|P3.2/UCB0SCL     |
//            |                 |         |                 |
//
//  D. Dang
//  Texas Instruments Inc.
//  February 2011
//   Built with CCS Version 4.2.0 and IAR Embedded Workbench Version: 5.10
//******************************************************************************
#include <msp430.h>

unsigned char *PTxData;                     // Pointer to TX data
unsigned char TXByteCtr;
const unsigned char TxData[] =              // Table of data to transmit
{
  0x11,
  0x22,
  0x33,
  0x44,
  0x55
};

int main(void)
{
  WDTCTL = WDTPW + WDTHOLD;                 // Stop WDT
  P1SEL |= BIT6 + BIT7;                     // Assign I2C pins to USCI_B0
  P1SEL2|= BIT6 + BIT7;                     // Assign I2C pins to USCI_B0
  UCB0CTL1 |= UCSWRST;                      // Enable SW reset
  UCB0CTL0 = UCMST + UCMODE_3 + UCSYNC;     // I2C Master, synchronous mode
  UCB0CTL1 = UCSSEL_2 + UCSWRST;            // Use SMCLK, keep SW reset
  UCB0BR0 = 12;                             // fSCL = SMCLK/12 = ~100kHz
  UCB0BR1 = 0;
  UCB0I2CSA = 0x48;                         // Slave Address is 048h
  UCB0CTL1 &= ~UCSWRST;                     // Clear SW reset, resume operation
  IE2 |= UCB0TXIE;                          // Enable TX interrupt

  while (1)
  {
    PTxData = (unsigned char *)TxData;      // TX array start address
    TXByteCtr = sizeof TxData;              // Load TX byte counter
    while (UCB0CTL1 & UCTXSTP);             // Ensure stop condition got sent
    UCB0CTL1 |= UCTR + UCTXSTT;             // I2C TX, start condition
    __bis_SR_register(CPUOFF + GIE);        // Enter LPM0 w/ interrupts
                                            // Remain in LPM0 until all data
                                            // is TX'd
  }
}

//------------------------------------------------------------------------------
// The USCIAB0TX_ISR is structured such that it can be used to transmit any
// number of bytes by pre-loading TXByteCtr with the byte count. Also, TXData
// points to the next byte to transmit.
//------------------------------------------------------------------------------
#if defined(__TI_COMPILER_VERSION__) || defined(__IAR_SYSTEMS_ICC__)
#pragma vector = USCIAB0TX_VECTOR
__interrupt void USCIAB0TX_ISR(void)
#elif defined(__GNUC__)
void __attribute__ ((interrupt(USCIAB0TX_VECTOR))) USCIAB0TX_ISR (void)
#else
#error Compiler not supported!
#endif
{
  if (TXByteCtr)                            // Check TX byte counter
  {
    UCB0TXBUF = *PTxData++;                 // Load TX buffer
    TXByteCtr--;                            // Decrement TX byte counter
  }
  else
  {
    UCB0CTL1 |= UCTXSTP;                    // I2C stop condition
    IFG2 &= ~UCB0TXIFG;                     // Clear USCI_B0 TX int flag
    __bic_SR_register_on_exit(CPUOFF);      // Exit LPM0
  }
}

 

 

For Slave: Source code: 

/*
 * main.c
 *
 * RF430FRL152H NFC Only Example Project
 *
 * Copyright (C) 2014 Texas Instruments Incorporated - http://www.ti.com/ 
 * 
 * 
 *  Redistribution and use in source and binary forms, with or without 
 *  modification, are permitted provided that the following conditions 
 *  are met:
 *
 *    Redistributions of source code must retain the above copyright 
 *    notice, this list of conditions and the following disclaimer.
 *
 *    Redistributions in binary form must reproduce the above copyright
 *    notice, this list of conditions and the following disclaimer in the 
 *    documentation and/or other materials provided with the   
 *    distribution.
 *
 *    Neither the name of Texas Instruments Incorporated nor the names of
 *    its contributors may be used to endorse or promote products derived
 *    from this software without specific prior written permission.
 *
 *  THIS SOFTWARE IS PROVIDED BY THE COPYRIGHT HOLDERS AND CONTRIBUTORS 
 *  "AS IS" AND ANY EXPRESS OR IMPLIED WARRANTIES, INCLUDING, BUT NOT 
 *  LIMITED TO, THE IMPLIED WARRANTIES OF MERCHANTABILITY AND FITNESS FOR
 *  A PARTICULAR PURPOSE ARE DISCLAIMED. IN NO EVENT SHALL THE COPYRIGHT 
 *  OWNER OR CONTRIBUTORS BE LIABLE FOR ANY DIRECT, INDIRECT, INCIDENTAL, 
 *  SPECIAL, EXEMPLARY, OR CONSEQUENTIAL DAMAGES (INCLUDING, BUT NOT 
 *  LIMITED TO, PROCUREMENT OF SUBSTITUTE GOODS OR SERVICES; LOSS OF USE,
 *  DATA, OR PROFITS; OR BUSINESS INTERRUPTION) HOWEVER CAUSED AND ON ANY
 *  THEORY OF LIABILITY, WHETHER IN CONTRACT, STRICT LIABILITY, OR TORT 
 *  (INCLUDING NEGLIGENCE OR OTHERWISE) ARISING IN ANY WAY OUT OF THE USE 
 *  OF THIS SOFTWARE, EVEN IF ADVISED OF THE POSSIBILITY OF SUCH DAMAGE.
 *
*/

#include "NDEF.h"
#include "types.h"
#include "patch.h"
#include <rf430frl152h.h>


#define PORT_I2C_OUT    P1OUT
#define PORT_I2C_DIR    P1DIR
#define PORT_I2C_SEL0   P1SEL0
#define PORT_I2C_SEL1   P1SEL1
#define SDA BIT0
#define SCL BIT1



//*****************************FUNCTION PROTOTYPES********************************/
void DeviceInit(void);
//********************************************************************************/


#pragma RETAIN(PRxData);
unsigned char *PRxData;                     // Pointer to RX data
#pragma RETAIN(RXByteCtr);
unsigned char RXByteCtr;
#pragma RETAIN(RxBuffer);
volatile unsigned char RxBuffer[128];       // Allocate 128 byte of RAM


void I2C_init(void);

void main()
{
    WDTCTL = WDTPW + WDTHOLD;                   // Stop watchdog

    // ROM RF13M module setup ** The following three lines are needed for proper RF stack operation
    DS = 1; 									// ROM variable needs to be initialized here
    asm ( " CALL #0x5CDA "); 					// Call ROM function ( Initialize function pointers)
    asm ( " CALL #0x5CAC "); 					// Call ROM function ( Check part configuration)


	initISO15693(CLEAR_BLOCK_LOCKS);  // clear all block locks
	//initISO15693(0);					// leave block locks as they are set in FRAM

	//JTAG is set to be disabled in this function call
	DeviceInit();

	//CopyFRAMtoNDEF();

	I2C_init();

    __bis_SR_register(GIE);

	while(1)
	{
	    PRxData = (unsigned char *)RxBuffer;    // Start of RX buffer
	    RXByteCtr = 0;                          // Clear RX byte count
	    __bis_SR_register(LPM3_bits + GIE);
	}
}

/**************************************************************************************************************************************************
*  DeviceInit
***************************************************************************************************************************************************
*
* Brief : Initialize the clock system and other settings
*         Patchable function
*
* Param[in] :   parameters:  has these independent options
*                            INITIALIZE_DEVICE_CLOCK_SYSTEM - initializes the clock system
*                            POPULATE_INTERRUPT_VECTOR_IN_INITIALIZATION - populate the default interrupt vectors and recalculate their CRC
*
* Param[out]:  None
*
* Return  None
*
* Patchable :   Yes
**************************************************************************************************************************************************/

void DeviceInit(void)
{
	P1SEL0 = 0xF0; //keep JTAG
	P1SEL1 = 0xF0; //keep JTAG
//	P1SEL0 = 0x00; //no JTAG
//	P1SEL1 = 0x00; //no JTAG
    P1DIR &= ~0xEF;
    P1REN = 0;

    CCSCTL0 = CCSKEY;                        // Unlock CCS

    CCSCTL1 = 0;                             // do not half the clock speed
    CCSCTL4 = SELA_1 + SELM_0 + SELS_0;      // Select VLO for ACLK and select HFCLK/DCO for MCLK, and SMCLK
    CCSCTL5 = DIVA_2 + DIVM_1 + DIVS_1;      // Set the Dividers for ACLK (4), MCLK, and SMCLK to 1
    CCSCTL6 = XTOFF;                         // Turns of the crystal if it is not being used
    CCSCTL8 = ACLKREQEN + MCLKREQEN + SMCLKREQEN; //disable clocks if they are not being used

    CCSCTL0_H |= 0xFF;                       // Lock CCS

  return;
}



void I2C_init(void)
{
    //ROM sets P1OUT = 0x0F, this then consumes some current
    P1OUT = 0x00; // needed to reduce power consumption on RF430FRL152H EVM, since P1.3 is connected to a 2.2K Ohm resistor on the EVM to ground

    // Configure P1.0 and P1.1 pins for I2C mode
    PORT_I2C_SEL0 |= SCL + SDA;
    PORT_I2C_SEL1 &= ~(SCL + SDA);

    UCB0CTL1 |= UCSWRST; // eUSCI_B in reset state
    UCB0CTLW0 |= UCMODE_3; // I2C slave mode
    UCB0I2COA0 = 0x0048; // own address is 12hex

//      P2SEL |= 0x03; // configure I2C pins (device specific)

    UCB0CTL1 &= ~UCSWRST; // eUSCI_B in operational state
//    UCB0IE |= UCTXIE + UCRXIE; // enable TX&RX-interrupt
    UCB0IE |= UCTXIE;

    __bis_SR_register(GIE); // general interrupt enable

        return;
}


#pragma vector = RF13M_VECTOR
__interrupt void RF13M_ISR(void)
{
     switch(__even_in_range(UCB0IV,0x1e)) {
     case 0x00: // Vector 0: No interrupts
     break;

     case 0x16:  // Vector 22: RXIFG0
         UCB0STAT &= ~(UCSTPIFG + UCSTTIFG);       // Clear interrupt flags
         if (RXByteCtr)                            // Check RX byte counter
//            __bic_SR_register_on_exit(CPUOFF);      // Exit LPM0 if data was

       __bic_SR_register_on_exit(LPM0_bits | GIE); // Exit LPM0



     break;
     case 0x18:  // Vector 24: TXIFG0

         *PRxData++ = UCB0RXBUF;                   // Move RX data to address PRxData
         RXByteCtr++;                              // Increment RX byte count


     break;

     default: break;
     }

}

I am  not able to receive T2C Rx/Tx interrupt.  At SCL and ADA pin , 30k pullup is connected at master end (EXP430G2 lanch pad) and 2.2K pullup is connected on slave end (RF430FRL152HEVM board). 

kindly provide any hint for go ahead. 

 

Thanks,

AG

  • Hello Anil,

    Having two pull-up resistors does not make sense to me, and also the value on host end is very high. Can you reduce it to a single pull-up? 2.2kOhm may be okay, or you could use something like 4.7kOhm.

    When you look at the I2C lines, what do you see signal wise? Do you see the master output? If so, is there any reply from the slave?
  • Hi,

    Thanks for your reply.

    During debugging , I have observed that cLock  is generating from Master end properly.

    Start bit is also ok.

    Multiple times , I have observed that interrupt handling of rf430frl152h is little different from other MSP430 devices. Can you just confirm and check the i2c initialization and interrupt handling from attached slave source code. ?

    Thanks in advance for your reply.

  • Hi

    Please find further observations regarding same reported issue. 

    I am using MSP430G2 (EXP430G2) as Host controller and RF430FRL152H as I2C slave device. at Slave side only 2.2k pullup resister is connected on SDA and SCL pins. 

    1.  Start bit and device address is showing correct  from master to slave device (varified on CRO)  but ACK is not responding by Slave device. clock (SCL) is also ok. 



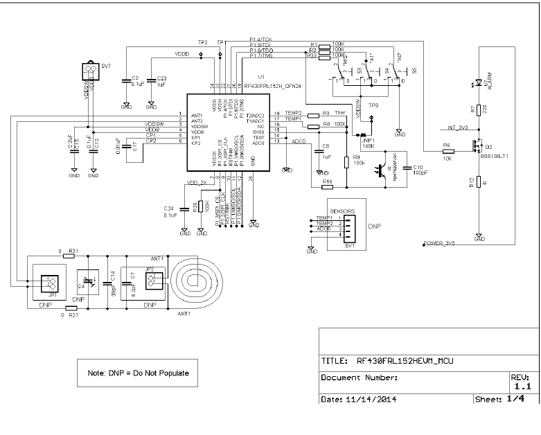
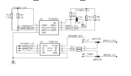
    2. All pin status is varified as per datasheet and schemetic given below: 

    3. It is observed that after receiving adress command UCBBUSY is becoming high. If it is getting high then why ACK is not responding by slave?

     

    4. Slave source code: 

     

    #include "NDEF.h"
    #include "types.h"
    #include "patch.h"
    #include <rf430frl152h.h>
    
    #define FIRMWARE_CONTROL_ADDRESS 0xF867
    #pragma RETAIN(Firmware_System_Control_Byte);
    #pragma location = FIRMWARE_CONTROL_ADDRESS
    //This variable needs to be kept declared and as "volatile" for the BlockLockROM_Patched function to work properly. Assignment can be changed however.
    volatile const u08_t Firmware_System_Control_Byte = ROM_SENSOR_SUPPORT_DISABLED + ROM_EUSCI_SUPPORT_ENABLED + NFC_BRIDGE_DISABLED + FOUR_BYTE_BLOCK + FIRST_ISO_PAGE; //0x7F, // this value sets the firmware system control register
    
    
    
    #define PORT_I2C_OUT    P1OUT
    #define PORT_I2C_DIR    P1DIR
    #define PORT_I2C_SEL0   P1SEL0
    #define PORT_I2C_SEL1   P1SEL1
    #define SDA BIT0
    #define SCL BIT1
    
    
    
    //*****************************FUNCTION PROTOTYPES********************************/
    void DeviceInit(void);
    //********************************************************************************/
    
    
    #pragma RETAIN(PRxData);
    unsigned char *PRxData;                     // Pointer to RX data
    #pragma RETAIN(RXByteCtr);
    unsigned char RXByteCtr;
    #pragma RETAIN(RxBuffer);
    volatile unsigned char RxBuffer[128];       // Allocate 128 byte of RAM
    
    #pragma RETAIN(RxBufferTemp);
    volatile unsigned char RxBufferTemp;       // Allocate 128 byte of RAM
    
    void I2C_init(void);
    
    void main()
    {
        WDTCTL = WDTPW + WDTHOLD;                   // Stop watchdog
    //
    //    // ROM RF13M module setup ** The following three lines are needed for proper RF stack operation
    //    DS = 1; 									// ROM variable needs to be initialized here
    //    asm ( " CALL #0x5CDA "); 					// Call ROM function ( Initialize function pointers)
    //    asm ( " CALL #0x5CAC "); 					// Call ROM function ( Check part configuration)
    //
    
    	initISO15693(CLEAR_BLOCK_LOCKS);  // clear all block locks
    	//initISO15693(0);					// leave block locks as they are set in FRAM
    
    	//JTAG is set to be disabled in this function call
    	DeviceInit();
    
    	//CopyFRAMtoNDEF();
    
    	I2C_init();
    
        __bis_SR_register(GIE);
    
    	while(1)
    	{
    	    PRxData = (unsigned char *)RxBuffer;    // Start of RX buffer
    	    RXByteCtr = 0;                          // Clear RX byte count
    	    __bis_SR_register(LPM3_bits + GIE);
    	     //__bis_SR_register((SCG1+SCG0) + GIE);
    
    	}
    }
    
    /**************************************************************************************************************************************************
    *  DeviceInit
    ***************************************************************************************************************************************************
    *
    * Brief : Initialize the clock system and other settings
    *         Patchable function
    *
    * Param[in] :   parameters:  has these independent options
    *                            INITIALIZE_DEVICE_CLOCK_SYSTEM - initializes the clock system
    *                            POPULATE_INTERRUPT_VECTOR_IN_INITIALIZATION - populate the default interrupt vectors and recalculate their CRC
    *
    * Param[out]:  None
    *
    * Return  None
    *
    * Patchable :   Yes
    **************************************************************************************************************************************************/
    
    void DeviceInit(void)
    {
    	P1SEL0 = 0xF0; //keep JTAG
    	P1SEL1 = 0xF0; //keep JTAG
    //	P1SEL0 = 0x00; //no JTAG
    //	P1SEL1 = 0x00; //no JTAG
        P1DIR &= ~0xEF;
        P1REN = 0;
    
        CCSCTL0 = CCSKEY;                        // Unlock CCS
    
        CCSCTL1 = 0;                             // do not half the clock speed
        CCSCTL4 = SELA_1 + SELM_0 + SELS_0;      // Select VLO for ACLK and select HFCLK/DCO for MCLK, and SMCLK
        CCSCTL5 = DIVA_2 + DIVM_1 + DIVS_1;      // Set the Dividers for ACLK (4), MCLK, and SMCLK to 1
        CCSCTL6 = XTOFF;                         // Turns of the crystal if it is not being used
        CCSCTL8 = ACLKREQEN + MCLKREQEN + SMCLKREQEN; //disable clocks if they are not being used
    
        CCSCTL0_H |= 0xFF;                       // Lock CCS
    
      return;
    }
    
    
    
    void I2C_init(void)
    {
        //ROM sets P1OUT = 0x0F, this then consumes some current
    //    P1OUT = 0x00; // needed to reduce power consumption on RF430FRL152H EVM, since P1.3 is connected to a 2.2K Ohm resistor on the EVM to ground
    
    // Configure P1.0 and P1.1 pins for I2C mode
    //    PORT_I2C_SEL0 |= SCL + SDA;
     //   PORT_I2C_SEL1 &= ~(SCL + SDA);
    
        UCB0CTL1 |= UCSWRST; // eUSCI_B in reset state
        UCB0CTLW0 |= UCMODE_3; // I2C slave mode
        UCB0I2COA0 = 0x30; // own address is 12hex
    
        P1SEL0 |= (0x03); // configure I2C pins (device specific)
        P1SEL1 &= ~(0x03); // configure I2C pins (device specific)
    
        UCB0CTL1 &= ~UCSWRST; // eUSCI_B in operational state
    //    UCB0IE |= UCSTPIE + UCSTTIE;           // Enable STT and STP interrupt
        UCB0IE |= UCTXIE + UCRXIE; // enable TX&RX-interrupt
        //UCB0IE |= UCTXIE;
        //GIE;
        __bis_SR_register(GIE); // general interrupt enable
    
            return;
    }
    
    
    #pragma vector = RF13M_VECTOR
    __interrupt void RF13M_ISR(void)
    {
         switch(__even_in_range(UCB0IV,0x1e)) {
         case 0x00: // Vector 0: No interrupts
         break;
    
         case 0x16:  // Vector 22: RXIFG0
             UCB0STAT &= ~(UCSTPIFG + UCSTTIFG);       // Clear interrupt flags
             if (RXByteCtr)                            // Check RX byte counter
    //            __bic_SR_register_on_exit(CPUOFF);      // Exit LPM0 if data was
    
           __bic_SR_register_on_exit(LPM0_bits | GIE); // Exit LPM0
    
    
    
         break;
         case 0x18:  // Vector 24: TXIFG0
    
             *PRxData++ = UCB0RXBUF;                   // Move RX data to address PRxData
             RXByteCtr++;                              // Increment RX byte count
    
    
         break;
    
         default:
             __no_operation();                       // Set breakpoint >>here<< and read
             __no_operation();                       // Set breakpoint >>here<< and read
             break;
         }
    
    }
    

     

    
    

    Master Host source code:  i have picked example code from \slac485j\MSP430G2xx3_Code_Examples\C\msp430g2xx3_uscib0_i2c_08.c

    /* --COPYRIGHT--,BSD_EX
     * Copyright (c) 2012, Texas Instruments Incorporated
     * All rights reserved.
     *
     * Redistribution and use in source and binary forms, with or without
     * modification, are permitted provided that the following conditions
     * are met:
     *
     * *  Redistributions of source code must retain the above copyright
     *    notice, this list of conditions and the following disclaimer.
     *
     * *  Redistributions in binary form must reproduce the above copyright
     *    notice, this list of conditions and the following disclaimer in the
     *    documentation and/or other materials provided with the distribution.
     *
     * *  Neither the name of Texas Instruments Incorporated nor the names of
     *    its contributors may be used to endorse or promote products derived
     *    from this software without specific prior written permission.
     *
     * THIS SOFTWARE IS PROVIDED BY THE COPYRIGHT HOLDERS AND CONTRIBUTORS "AS IS"
     * AND ANY EXPRESS OR IMPLIED WARRANTIES, INCLUDING, BUT NOT LIMITED TO,
     * THE IMPLIED WARRANTIES OF MERCHANTABILITY AND FITNESS FOR A PARTICULAR
     * PURPOSE ARE DISCLAIMED. IN NO EVENT SHALL THE COPYRIGHT OWNER OR
     * CONTRIBUTORS BE LIABLE FOR ANY DIRECT, INDIRECT, INCIDENTAL, SPECIAL,
     * EXEMPLARY, OR CONSEQUENTIAL DAMAGES (INCLUDING, BUT NOT LIMITED TO,
     * PROCUREMENT OF SUBSTITUTE GOODS OR SERVICES; LOSS OF USE, DATA, OR PROFITS;
     * OR BUSINESS INTERRUPTION) HOWEVER CAUSED AND ON ANY THEORY OF LIABILITY,
     * WHETHER IN CONTRACT, STRICT LIABILITY, OR TORT (INCLUDING NEGLIGENCE OR
     * OTHERWISE) ARISING IN ANY WAY OUT OF THE USE OF THIS SOFTWARE,
     * EVEN IF ADVISED OF THE POSSIBILITY OF SUCH DAMAGE.
     *
     *******************************************************************************
     * 
     *                       MSP430 CODE EXAMPLE DISCLAIMER
     *
     * MSP430 code examples are self-contained low-level programs that typically
     * demonstrate a single peripheral function or device feature in a highly
     * concise manner. For this the code may rely on the device's power-on default
     * register values and settings such as the clock configuration and care must
     * be taken when combining code from several examples to avoid potential side
     * effects. Also see www.ti.com/grace for a GUI- and www.ti.com/msp430ware
     * for an API functional library-approach to peripheral configuration.
     *
     * --/COPYRIGHT--*/
    //******************************************************************************
    //  MSP430G2xx3 Demo - USCI_B0 I2C Master TX multiple bytes to MSP430 Slave
    //
    //  Description: This demo connects two MSP430's via the I2C bus. The master
    //  transmits to the slave. This is the master code. It continuously
    //  transmits an array of data and demonstrates how to implement an I2C
    //  master transmitter sending multiple bytes using the USCI_B0 TX interrupt.
    //  ACLK = n/a, MCLK = SMCLK = BRCLK = default DCO = ~1.2MHz
    //
    //  *** to be used with "msp430g2xx3_uscib0_i2c_09.c" ***
    //
    //                                /|\  /|\
    //               MSP430G2xx3      10k  10k     MSP430G2xx3
    //                   slave         |    |        master
    //             -----------------   |    |  -----------------
    //           -|XIN  P3.1/UCB0SDA|<-|---+->|P3.1/UCB0SDA  XIN|-
    //            |                 |  |      |                 |
    //           -|XOUT             |  |      |             XOUT|-
    //            |     P3.2/UCB0SCL|<-+----->|P3.2/UCB0SCL     |
    //            |                 |         |                 |
    //
    //  D. Dang
    //  Texas Instruments Inc.
    //  February 2011
    //   Built with CCS Version 4.2.0 and IAR Embedded Workbench Version: 5.10
    //******************************************************************************
    #include <msp430.h>
    
    unsigned char *PTxData;                     // Pointer to TX data
    unsigned char TXByteCtr;
    const unsigned char TxData[] =              // Table of data to transmit
    {
      0x11,
      0x22,
      0x33,
      0x44,
      0x55
    };
    
    int main(void)
    {
      WDTCTL = WDTPW + WDTHOLD;                 // Stop WDT
      P1SEL |= BIT6 + BIT7;                     // Assign I2C pins to USCI_B0
      P1SEL2|= BIT6 + BIT7;                     // Assign I2C pins to USCI_B0
      UCB0CTL1 |= UCSWRST;                      // Enable SW reset
      UCB0CTL0 = UCMST + UCMODE_3 + UCSYNC;     // I2C Master, synchronous mode
      UCB0CTL1 = UCSSEL_2 + UCSWRST;            // Use SMCLK, keep SW reset
      UCB0BR0 = 12;                             // fSCL = SMCLK/12 = ~100kHz
      UCB0BR1 = 0;
      UCB0I2CSA = 0x30;                         // Slave Address is 048h
      UCB0CTL1 &= ~UCSWRST;                     // Clear SW reset, resume operation
      IE2 |= UCB0TXIE;                          // Enable TX interrupt
    
      while (1)
      {
        PTxData = (unsigned char *)TxData;      // TX array start address
        TXByteCtr = sizeof TxData;              // Load TX byte counter
        while (UCB0CTL1 & UCTXSTP);             // Ensure stop condition got sent
        UCB0CTL1 |= UCTR + UCTXSTT;             // I2C TX, start condition
        __bis_SR_register(CPUOFF + GIE);        // Enter LPM0 w/ interrupts
                                                // Remain in LPM0 until all data
                                                // is TX'd
      }
    }
    
    //------------------------------------------------------------------------------
    // The USCIAB0TX_ISR is structured such that it can be used to transmit any
    // number of bytes by pre-loading TXByteCtr with the byte count. Also, TXData
    // points to the next byte to transmit.
    //------------------------------------------------------------------------------
    #if defined(__TI_COMPILER_VERSION__) || defined(__IAR_SYSTEMS_ICC__)
    #pragma vector = USCIAB0TX_VECTOR
    __interrupt void USCIAB0TX_ISR(void)
    #elif defined(__GNUC__)
    void __attribute__ ((interrupt(USCIAB0TX_VECTOR))) USCIAB0TX_ISR (void)
    #else
    #error Compiler not supported!
    #endif
    {
      if (TXByteCtr)                            // Check TX byte counter
      {
        UCB0TXBUF = *PTxData++;                 // Load TX buffer
        TXByteCtr--;                            // Decrement TX byte counter
      }
      else
      {
        UCB0CTL1 |= UCTXSTP;                    // I2C stop condition
        IFG2 &= ~UCB0TXIFG;                     // Clear USCI_B0 TX int flag
        __bic_SR_register_on_exit(CPUOFF);      // Exit LPM0
      }
    }
    

    Please check initialization sequence and interrupt handling . Kindly help for go ahead. 

    Thanks,

    AG

     

  • Hello Anil,

    I've been discussing your application requirements from this post as well as the prior one with my team.

    Given that you want to use NDEF message formats, and anticipate that NFC data may come from both host MCU and NFC reader device so they need to be in sync, as well as the requirement for FRAM memory, the RF430FRL15xH is not a good fit your system. Especially as it remains to be seen if the RF430FRL15xH can even alert the host MCU about receiving NFC data from a reader device.

    On the other hand, the RF430CL330H or RF430CL331H paired with an FRAM MSP430 host MCU would offer better functionality as it is designed to communicate with the host MCU when NFC communication occurs. Unlike the RF430FRL15xH devices, a dedicated GPIO is available to alert to NFC communications to allow syncing of when data can be changed by the host MCU. It also supports NDEF messaging by default, whereas the RF430FRL15xH devices support it by removing other device functionality (virtual registers). Lastly, it may be relevant for you to consider that the temperature range for that solution is -40 to 85 degrees C where as the RF430FRL152H is limited to 0 to 70 degrees C.

    Regarding your specific question, the straightforward answer is that we do not have a slave example existing and will not develop one. Without having such a reference, that also means we do not have the capability to support code debug for using the RF430FRL15xH devices in slave mode.

    Considering all of this, if you wish to progress with the RF430FRL15xH in your system, you are free to do so, but you will need to understand our support offerings are then will be very limited.