This thread has been locked.

If you have a related question, please click the "Ask a related question" button in the top right corner. The newly created question will be automatically linked to this question.

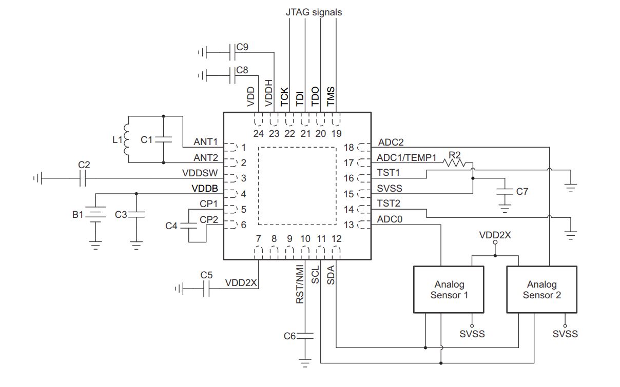
RF430FRL152H: What components to connect to the RF430FRL152H VQFN package to read from a analog sensor?

Part Number: RF430FRL152H


Hi,

I have procured the RF430FRL152H NFC transponder in a VQFN package after evaluating it using the Evaluation module.I understand that its a surface mount package.So, as to design a PCB for getting a data from an analog sensor,I understand that I need the following components to be connected to the RF430FRL152H :

1.An antenna coil tuned at 13.56 MHz connected at the Antenna ports

2.The anolog sensor connected to ADC0/1/2 and the virtual ground.

I have gone through Section 7 of the RF430FRL152H datasheet (SLAS834C).Should I connect all the components shown there having the exact values for the passive components like resistors and capacitors to print the circuit board?

And also as I am not using any digital I/O please let me know if I should use the other ports like the ports for SPI and I2C communaication too as shown in the section 7. I see that the analog signals are connected to SCL and SDA which are used for I2C communication.Please let me know if the ADC isnot enough for reading the sensor data.

In other words,kindly let me know what changes to make in the following circuit to read data from two analog sensors only.And also should I change the capacitance,inductance or resistance values anywhere except for the antenna.

Thank you

Best Regards

Muthukumar P