This thread has been locked.

If you have a related question, please click the "Ask a related question" button in the top right corner. The newly created question will be automatically linked to this question.

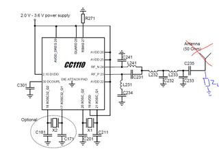
CC1110-CC1111: To what extent is the CC1110 able to drive mismatched loads without damage or reliability issues?

Part Number: CC1110-CC1111

Hello! I am interested in knowing to what extent is the CC1110 able to drive mismatched loads at 437MHz without damage or reliability issues. Let's say the antenna from the application circuit for 433 MHz is replaced by a complex load, ZL=RL+jXL. To what extent (in terms of complex reflection coefficient etc.) can this load deviate from 50 Ohms before the SoC gets damaged and/or stops being reliable?