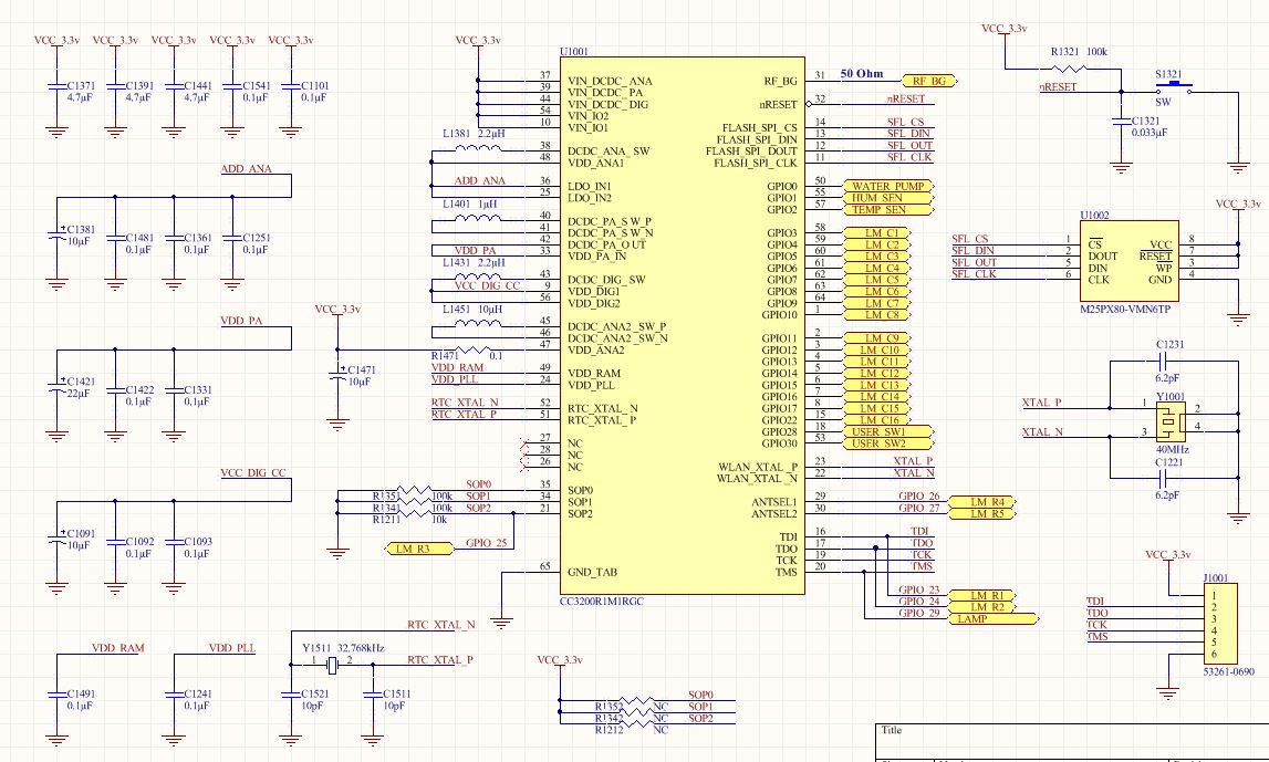
I designed own circuit with CC3200, but there is no clock signal at pin #51.
I cannot find any solution on community.
No problem with power.
Please check my schematic, and let me know what problem it has.
This thread has been locked.
If you have a related question, please click the "Ask a related question" button in the top right corner. The newly created question will be automatically linked to this question.
Hi
Can you flash the device?
If not, please make sure sRESET pin is asserted and check for the following:
Activity on SF CLK pin
Voltage level on VDD_ANA and VCC_DIG.
Ben
Hi
Thank you for your answer.
I was confirm that reset signal is correct and checked for the following:
SF CLK pin is no signal(0V).
VDD_ANA and VCC_DIG make the pulse signal likes attached image.
I found something for experiments.
When I removed bypass capacitors(C1381, C1481, C1361, C1251) that connected VDD_ANA and VDD_DIG on my circuit, the clock pulse was working.
And I had tried to format by Uniflash, but failed.
Thank you, Ben.
Best.
Hi,
I am not sure I understand what you are trying to do in last picture.
Regarding the waveform you shared, if voltage is toggling it means that the device can not ramp up. This explain why you dont have RTC clock.
Did you have your schematic reviewed using our hardware design review process: http://processors.wiki.ti.com/index.php/CC31xx_%26_CC32xx_Hardware_Design_Review?
Ben