This thread has been locked.

If you have a related question, please click the "Ask a related question" button in the top right corner. The newly created question will be automatically linked to this question.

CC3220: DCDC_ANA2 when to use ?

Part Number: CC3220

Dear all,

i am designing a board with the CC3220SF and can't find any detailed information what the DCDC_ANA2 is doing and when to use it.

As far as i understand it can be used to power flash and/or rtc. Is this related to internal or external components?

Is it required for the internal Flash of the CC3220SF ?

To what voltage will the DCDC_Ana2 regulate its output value on pin 47?

My application is not battery powered so i'd like to connect pin 47 VDD_ANA2 to my 3.3V power supply rail. Is this ok ?

Thanks for your support,

best regards,

KA

  • Hey Kjer,

    I'll do my best to answer your questions:

    As far as i understand it can be used to power flash and/or rtc. Is this related to internal or external components?

    This is for internal components of the CC3220

    Is it required for the internal Flash of the CC3220SF ?

    Yes.

    To what voltage will the DCDC_Ana2 regulate its output value on pin 47?

    Pin 47 should be connected to your VBAT_CC, which would be your 3V3 rail.

    My application is not battery powered so i'd like to connect pin 47 VDD_ANA2 to my 3.3V power supply rail. Is this ok ?

    http://www.ti.com/lit/ds/symlink/cc3220.pdf

    page 67.

    Pin 47 should be connected to your 3v3 rail and have a decoupling cap.

    Let me know if that helps, or if you have any more questions!

    Thanks,

    Vince Rodriguez

  • Hi Vince,

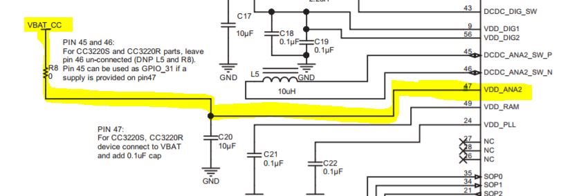
    the schematic you posted only tells what to do with Pin 47 for CC3220S and CC3220R.

    In the CC3220SF_Sch.pdf provided with the CC3220-LAUNCHXL design files Pin 47 is NOT connected to VBAT.

    There is 10uH between pin 45 and pin 46. Pin 47 in connected to 10uF.

    I guess this is related to the internal Flash that is only available with the CC3220SF.

    I guess that this internal Flash needs a pre-regulated power supply different to VBAT (3.3V).

    Could you please check if it is allowed to connect 3.3V to pin 47 of the CC3220SF?

    Or is this only related to a power saving state, that power to Pin 47 (internal Flash supply) can be shut down?Best regards,

    KA

  • Kjer,

    The schematic i shared is what you should do when using the CC3220SF. The footnotes/descriptions tell you what you need to do if you are using the S or R device.

    Please tie pin 47 to VCC and use the decoupling cap.