Other Parts Discussed in Thread: CC3200, , CC3220SF
Hello,
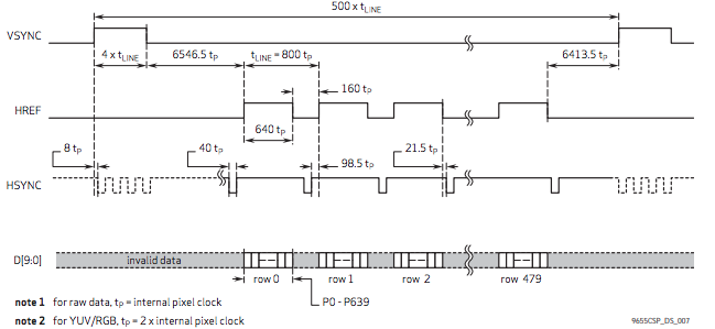
For the past few weeks, I have been trying to get the CC3220 parallel camera interface to work with an OV9655 camera sensor. So far, I have not been able to get the camera peripheral to capture any sort of data from the camera. As this peripheral does not have example code, I did not have anything to base my code off of besides the older CC3200 camera example code. Below is my relevant setup code which I believe is correct based off of other peripherals. This code successfully runs, however the camera callback function never gets called. In addition, I also print out the status of all the camera interrupts and they are never asserted. The only indication that the code is actually doing something is that the CC3220 begins to output the XCLK signal. Beyond this, the peripheral fails to latch any sort of data.
CC3220SF-LAUNCHXL.h
typedef enum CC3220SF_LAUNCHXL_CameraName {
CC3220SF_LAUNCHXL_CAMERA0 = 0,
CC3220SF_LAUNCHXL_CAMERACOUNT
} CC3220SF_LAUNCHXL_CameraName;
CC3220SF_LAUNCHXL.c
#include <ti/drivers/Camera.h>
#include <ti/drivers/camera/CameraCC32XXDMA.h>
CameraCC32XXDMA_Object cameraCC3220SFObjects[CC3220SF_LAUNCHXL_CAMERACOUNT];
const CameraCC32XXDMA_HWAttrs CameraCC32XXDMAHWAttrs[CC3220SF_LAUNCHXL_CAMERACOUNT] = {
{
.baseAddr = CAMERA_BASE,
.intNum = INT_CAMERA,
.intPriority = (~0),
.channelIndex = UDMA_CH22_CAMERA
}
};
const Camera_Config Camera_config[CC3220SF_LAUNCHXL_CAMERACOUNT] = {
{
.fxnTablePtr = &CameraCC32XXDMA_fxnTable,
.object = &cameraCC3220SFObjects[CC3220SF_LAUNCHXL_CAMERA0],
.hwAttrs = &CameraCC32XXDMAHWAttrs[CC3220SF_LAUNCHXL_CAMERA0],
}
};
ov9655.c
void camera_pins_init(void)
{
MAP_PRCMPeripheralClkEnable(PRCM_CAMERA, PRCM_RUN_MODE_CLK);
MAP_PRCMCameraFreqSet(4, 2);
MAP_PinTypeCamera(PIN_02, PIN_MODE_4); // Output Camera Clock
MAP_PinTypeCamera(PIN_55, PIN_MODE_4); // Input Pixel Clock
MAP_PinTypeCamera(PIN_04, PIN_MODE_4); // HSYNC Input
MAP_PinTypeCamera(PIN_03, PIN_MODE_4); // VSYNC Input
MAP_PinTypeCamera(PIN_61, PIN_MODE_4); // DATA0
MAP_PinTypeCamera(PIN_60, PIN_MODE_4); // DATA1
MAP_PinTypeCamera(PIN_59, PIN_MODE_4); // DATA2
MAP_PinTypeCamera(PIN_58, PIN_MODE_4); // DATA3
MAP_PinTypeCamera(PIN_05, PIN_MODE_4); // DATA4
MAP_PinTypeCamera(PIN_06, PIN_MODE_4); // DATA5
MAP_PinTypeCamera(PIN_07, PIN_MODE_4); // DATA6
MAP_PinTypeCamera(PIN_08, PIN_MODE_4); // DATA7
}
int camera_peripheral_init(void)
{
Camera_Params camera_params;
camera_pins_init();
Camera_Params_init(&camera_params);
camera_params.captureMode = Camera_MODE_CALLBACK;
camera_params.outputClock = 10000000;
camera_params.hsyncPolarity = Camera_HSYNC_POLARITY_HIGH;
camera_params.vsyncPolarity = Camera_VSYNC_POLARITY_LOW;
camera_params.pixelClkConfig = Camera_PCLK_CONFIG_RISING_EDGE;
camera_params.byteOrder = Camera_BYTE_ORDER_NORMAL;
camera_params.interfaceSync = Camera_INTERFACE_SYNC_OFF;
camera_params.stopConfig = Camera_STOP_CAPTURE_IMMEDIATE;
camera_params.startConfig = Camera_START_CAPTURE_FRAME_START;
camera_params.captureTimeout = Camera_WAIT_FOREVER;
camera_params.captureCallback = &camera_callback;
Camera_init();
camera = Camera_open(0, &camera_params);
if (camera == NULL)
return 1;
else
return 0;
}
int ov9655_init(void)
{
uint16_t i;
int_fast16_t return_val = 0;
uint8_t *dma_buffer;
size_t frame_len = 0;
dma_buffer = pvPortMalloc(sizeof(uint8_t) * BUFFER_LEN);
for (i = 0; i < BUFFER_LEN; i++)
*(dma_buffer + i) = 0;
camera_peripheral_init();
camera_print_interrupts();
return_val = Camera_capture(camera, dma_buffer, BUFFER_LEN, &frame_len);
if (return_val == CAMERA_STATUS_ERROR)
Display_printf(display, 0, 0, "CAMERA_STATUS_ERROR");
while(1)
camera_print_interrupts();
return 0;
}
void camera_print_interrupts(void)
{
unsigned long interrupt_val = 0;
interrupt_val = CameraIntStatus(CAMERA_BASE);
if (interrupt_val & CAM_INT_FS)
{
Display_printf(display, 0, 0, "Frame Start Interrupt");
CameraIntClear(CAMERA_BASE, CAM_INT_FS);
}
if (interrupt_val & CAM_INT_LE)
{
Display_printf(display, 0, 0, "Line End Interrupt");
CameraIntClear(CAMERA_BASE, CAM_INT_LE);
}
if (interrupt_val & CAM_INT_LS)
{
Display_printf(display, 0, 0, "Line Start Interrupt");
CameraIntClear(CAMERA_BASE, CAM_INT_LS);
}
if (interrupt_val & CAM_INT_FSP_ERR)
{
Display_printf(display, 0, 0, "FSP Code Error Interrupt");
CameraIntClear(CAMERA_BASE, CAM_INT_FSP_ERR);
}
if (interrupt_val & CAM_INT_FW_ERR)
{
Display_printf(display, 0, 0, "Frame Height Error Interrupt");
CameraIntClear(CAMERA_BASE, CAM_INT_FW_ERR);
}
if (interrupt_val & CAM_INT_FSC_ERR)
{
Display_printf(display, 0, 0, "False Synch Error Interrupt");
CameraIntClear(CAMERA_BASE, CAM_INT_FSC_ERR);
}
if (interrupt_val & CAM_INT_SSC_ERR)
{
Display_printf(display, 0, 0, "Shifted Synch Error Interrupt");
CameraIntClear(CAMERA_BASE, CAM_INT_SSC_ERR);
}
if (interrupt_val & CAM_INT_FIFO_NOEMPTY)
{
Display_printf(display, 0, 0, "FIFO Not Empty Interrupt");
CameraIntClear(CAMERA_BASE, CAM_INT_FIFO_NOEMPTY);
}
if (interrupt_val & CAM_INT_FIFO_FULL)
{
Display_printf(display, 0, 0, "FIFO Full Interrupt");
CameraIntClear(CAMERA_BASE, CAM_INT_FIFO_FULL);
}
if (interrupt_val & CAM_INT_FIFO_THR)
{
Display_printf(display, 0, 0, "FIFO Threshold Interrupt");
CameraIntClear(CAMERA_BASE, CAM_INT_FIFO_THR);
}
if (interrupt_val & CAM_INT_FIFO_OF)
{
Display_printf(display, 0, 0, "FIFO Overflow Interrupt");
CameraIntClear(CAMERA_BASE, CAM_INT_FIFO_OF);
}
if (interrupt_val & CAM_INT_FIFO_UR)
{
Display_printf(display, 0, 0, "FIFO Underflow Interrupt");
CameraIntClear(CAMERA_BASE, CAM_INT_FIFO_UR);
}
}
At this point, I am starting to run out of ideas. I have looked at all the reference material online but there is no official example code for the CC3220 camera peripheral that I have found. The main reason we chose the CC3220 is due to the parallel camera interface but the peripheral does not seem to be well fleshed out with examples or others using the peripheral online. Any support would be greatly appreciated!
Thanks,
Nicholas Kimball

