Hi Expert,
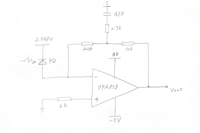
my customer designed a TIA application using OPA858, DC gain is 30K, AC gain is 100K, when PD received a light, there is no AC signal in output. could you help to give some advice?

BR
Chi
This thread has been locked.
If you have a related question, please click the "Ask a related question" button in the top right corner. The newly created question will be automatically linked to this question.
Hi Expert,
my customer designed a TIA application using OPA858, DC gain is 30K, AC gain is 100K, when PD received a light, there is no AC signal in output. could you help to give some advice?

BR
Chi
Hello Chi,
What are the characteristics of the photodiode (rise time, capacitance, and current range)?
Thank you,
Sima