This thread has been locked.

If you have a related question, please click the "Ask a related question" button in the top right corner. The newly created question will be automatically linked to this question.

About unused channel of LM358 and LM339

Guru 19645 points
Other Parts Discussed in Thread: LM339, LM358, LM393-N, LM393

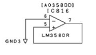
Customer will connect unused channel of LM358 and LM339 (please see below), is this correct?

※VIN+:+15V, VIN-:GND

Customer is already made these circuit, they doesn't want to change as much as possible.

Best regards,

Satoshi

  • Satoshi san,

    There is no harm provided the ground pin (VCC-) is also grounded.

    If ground of device goes to negative supply, then I prefer input resistor on grounded pin.
  • Hi Satoshi,

    For the LM358, the output should be connected to the inverting (-)  input. As shown, it may oscillate due to positive feedback if the offset crosses zero.

    The LM393 is an open collector output comparator, so essentially the non-inverting input is (mostly) floating as shown. As stated in the (LM393-N) datasheet apps section, all unused inputs can be tied to GND. Leave the unused outputs floating with no pullup resistor.

    Regards,

  • Ronald-san, Paul-san

    Thank you for reply.
    Sorry for additional question, please let me know;

    When customer circuit is oparate (I posted and attached mistake circuit), what ploblem occur?
    I specially want to know possibility of damage.
    (Or, is it only oscillate?)

    Best regards,
    Satoshi
  • Satoshi san,

    For LM393, inverting is ground so ouput will go high or more accurately open (off). The non-inverting input (and output) will be a little above zero.

    For LM358, the output will probably go high (VCC -1.4V) and stay there. If the output was low due to a negative VIO then the output would stay low but might go high if disturbed.

    I do not expect any damage or undesirable effects on the used channels.

    Paul may have a different view.
  • Paul-san

    If you have information of "possibility of damage", please let me know.

    Best regards,
    Satoshi
  • Paul-san

    Any update on this?
    I think that difficult contents, please help me if there is any information.

    Best regards,
    Satoshi