This thread has been locked.

If you have a related question, please click the "Ask a related question" button in the top right corner. The newly created question will be automatically linked to this question.

THS4631: About how to obtain a scaled-down signal of op amp's output

Part Number: THS4631
Other Parts Discussed in Thread: TLV3501

Dear TI expert,

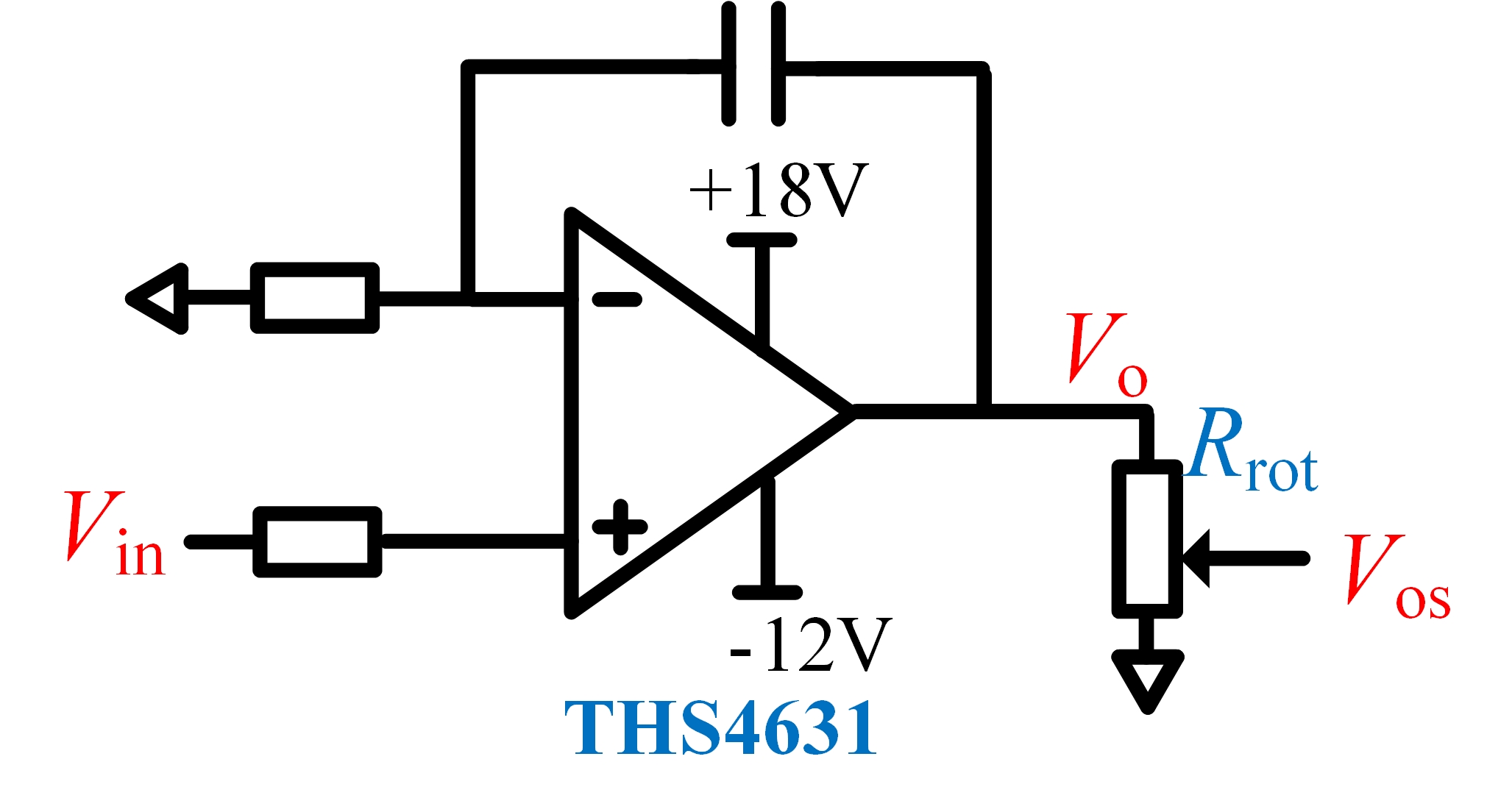
I use THS4631 to integrate a signal as fig1. And the actual PCB is as fig2. Due to power supplies, Vo will be saturated to about +18V. Since I want to compare the output with a reference by a high-speed comparator that is powered by +3.3V, I need to scale down the Vo to Vos, that is, 1/6 of Vo.

Currently, I use a regular slide rheostat as Rt1 in fig2, but Vos waveform is not good and deviates from theoretical waveforms obviously. In fig3, yellow is Vos, blue is Vo and Vo is intended to be halved . However, they don’t meet the proportional relationship.

Can you please tell me how to obtain a scaled down signal that follows Vo well and as precise as possible? 


fig1  

                                                                                                  

fig2

fig3

Best Regards

Yatao

  • Hello Yatao,

    Not too clear from the top and bottom traces what to say. If these are supposed to be the output pin and the divided down version - it looks like the blue trace is going flat for awhile, that might be the output saturating at the rail? If so, the time to come out of saturation is not well defined and might explain your simple divider not working - also, what R values - a parasitic C in the middle of the R's could be low pass filtering giving what looks like a shift in the waveform to where it does not match the output pin/2.
  • Hi Yatao,

    pots are not good in HF circuits because they can suffer from parasitic capacitances, as Michael already mentioned. This is the more true the higher ohmic the pot is.

    Abandon the idea of using a pot but form the voltage divider by discrete resistors instead, as shown below:

    Kai

  • Hi Michael,

    Thanks for your advice.
    Sorry for the delay. Somehow, I haven't received your reply email sent by the forum and I don't know you have replied me.
    The blue trace is the output and the yellow trace is the divide one.And the port I use is 20K ohms.
    Yes, the blue trace is saturated to +18V.
    Before and after the saturation, divided one is not half of output voltage.
    You suggest discrete resistors, but aren't there parasitic capacitances in these resistors?

    Best Regards
    Yatao

  • Hi Kai,

    Thanks for your advice.
    Sorry for the delay. Somehow, the forum hasn't sent me your reply email sent by the forum and I have no idea you have replied me.
    You suggest discrete resistors, but aren't there parasitic capacitances in these resistors?
    And the divided voltage is connected to TI high speed comparator TLV3501, whose input capacitance is around 4pF by its datasheet, do you think it necessary to parallel each diecrete resistor with a capacitance? That is, use a RC network, instead of pure R network, to obtain the divide voltage?

    Best Regards
    Yatao

  • Hello Yatao, 

    What value of resistors are you using to do the divide by 2. If say they are 20kohm, they will form a 10kohm source to that 4pF plus trace capacitance for a 4MHz pole - that might shift the Vout/2 waveform. You might also have a changing  load looking into the TLV3501 that is changing the divider?

    If it is just the parasitic C and the higher R's you might be using, you can equalize the response to be flat with an equal capacitor across the first resistor. If 4pF is the right number putting that across the first resistor would help in theory - This is like tuning a 10X scope probe flat. 

  • Hi Michael,
    Right now, the waveforms I've shown in my post is the result without connection of TLV3501. And the total resistance of the pot is 20K ohms.
    If I connect the TLV3501 with the divided voltage terminal, where I think the 4pF is then paralled to the second resistor, as 1k ohms in Kai's reply, do u think any modifications I should do to the discrete resistor divider?

    Regards
    Yatao
  • Hi Yatao,

    Oh ok, I think Kai's comment to try this without the pot is pertinent. Those do have higher wiper capacitance than we might think. Why don't you try this temporarily with just two 10kohm resistors instead and see if the shift goes away?

    Not sure if they specify the capacitance in the pot spec., but I know we always run into parasitic C issues on the digitally controlled pots in the higher speed circuits.
  • Hi Michael,
    Thanks.
    If I want to try the discrete resistor divider, I will need to fabricate a new PCB, which takes much time.
    That's why I'm very careful.

    Since I want a 1/6 ratio, then maybe I need to paralle a 4/6=0.6pF capacitor with the first discrete resistor?
    PS: I parallel a resitor with the integration capacitor, preventing the op amp from saturation and this resistor isn'rt depicted in the schematic.

    Regards
    yatao

  • Oh ok,

    well if you are stuck with what you have, try to find the model for the pot pin capacitance wise and then we might be able to deal with it. Or, you might be able to drop in a 2k pot which will push the parasitic poles out 10X? Just will load the THS4631 more.
  • Hi Yatao,

    it's funny, I wanted to recommend the same as Michael. But with R1=1k, R2=200R and Cload=4pF the compensation cap across R1 would only be 0.8pF according to R1 x 0.8pF = R2 x 4pF. But 0.8pF is hard to install, because the stray capacitance of PCB and the parasitic capacitance of the 1k resistor itself is already in this capacitance range. That's why I didn't recommend to put a compensation capacitor in parallel to R1.

    A 20k pot at this place is way too high ohmic anyway! You can try a 2k pot instead. But to be honest, I wouldn't take a pot at all.

    Kai
  • Hi Michael,
    I have no doubt about your suggestion, and I'll use your proposed discre resistor divider.
    What I try to express is that using the discrete reistor divider, is it necessary to parallel a capacitor with the first resistor?

    Regards

    Yatao

  • Just depends on the parasitic at the middle of the resistors, but I would try it without it first.

    I do worry a little about doing that speed up right on the output pin - now, at higher F the op amp output sees a cap load as the series combination of the two caps, would then need to test phase margin in sim.
  • Hi Kai,
    You're right and I do a wrong calculation.
    Yes, the compensation capactance should be 4pF*200R/1kR=0.8pF and I just refer to some materials. I find that a 0805 footprint always features 0.8pF.

    And I'll use Kai's divider.

    Regards
    Yatao
  • Thank you guys so much.
    How can I express my sincere thanks?

    Yatao
  • Yes, u are right.
    Adding another capacitor will certainly be a load to the THS4631 and will bring down the stability. And I decide not to use paraller connected capacitor.

    Regards
    Yatao
  • No problem, good luck
  • Good luck from me too!

    Kai