Other Parts Discussed in Thread: LM7705, LMC6442
Hi,
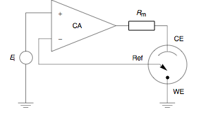
I've been building a potentiostat for my electrochemical sensor (in water) based on AN-1798 and below is the schematic of my circuit.
The circuit is petty much the same as the one in the application note, except that mine is biasing RE with VIN and the resistor and capacitor in transimpedance circuit are set to measure a smaller signal.
I'm perturbing the sensor with random pulses. I've also attached the measured RE (left) and measured VWE overlaid with RE(right, Red:RE, Blue:VWE).
The problem I have is that the potential of RE, which is supposed to be just a pulse, is disturbed with these spikes, only at the downward edge. And the graph on the right shows that the RE potential is not an artifact from the measurement since it actually affects the VWE. This is happening only when the circuit is connected to the sensor so I assume it could be the stability of the feed back loop, BUT not clear how this can happen in one direction and as a spike.
What I have tried so far is
1) Remove C11 and change the value of C12 to 100 nF as it is recommanded in alphasensor application note but it actually affects the stability and make RE very noisy.
2) RE was originally measured with ADC that has high input biased current so tried putting a buffer with low input biased current, but has no effect.
3) Disconnected R8 so that the guarding is not working, but also didn't work.
Any idea or suggestion to solve this problem?
Best,
GeehoonAAN_105-03.pdf



