This thread has been locked.

If you have a related question, please click the "Ask a related question" button in the top right corner. The newly created question will be automatically linked to this question.

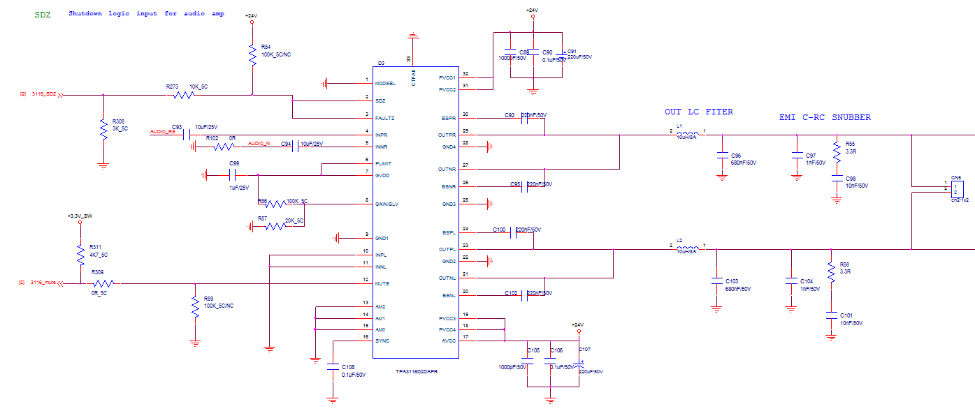
TPA3116D2: When the output power is high (for example, 100W), THD+N can not be stable and is slowly getting worse(0.6% to 5%).

Part Number: TPA3116D2
Other Parts Discussed in Thread: TPA3221,

Hi,

I use one TPA3116 amps in my circuit. In my circuit I use a single supply +24V. 

In order to get 100W output power, I use the MONO MODE (PBTL) . 

I changed a higher  Isat inductor (4.7uH,11A),and use a load of 2 ohm.

When the output power is high (for example, 100W), THD+N can not be stable and is slowly getting worse(0.6% to 5%).

How can I fix this problem ?

Looking forward to your reply,thank you!