Hi all,
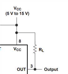
The OUT pin is pulled up by the Rl resistor.
Is it possible to pull down the OUT pin and use NE555?
I would appreciate it if you could tell me.
Best Regards,
Ryusuke
This thread has been locked.
If you have a related question, please click the "Ask a related question" button in the top right corner. The newly created question will be automatically linked to this question.
Hi all,
The OUT pin is pulled up by the Rl resistor.
Is it possible to pull down the OUT pin and use NE555?
I would appreciate it if you could tell me.
Best Regards,
Ryusuke
Hello Ryusuke,
Rl can be tied to either the positive rail or ground. The resistor isn't required for operation.
Let me know if I can be of further assistance.
Best Regards,
Chris Featherstone
Hi Ryusuke,
To add to Chris' response, the OUT pin can both sink and source current; this is described in the section of the EC table shown below:
Note that output voltages are specified for both positive and negative current.
The RL in the schematic above is just representing a load resistance, it isn't required to achieve a high output voltage (like what would be the case in an open-collector output).
Hope this helps.
Mike