Other Parts Discussed in Thread: ADCPRO
Hi,
as usual - the new ADC - the new connectivity issues.
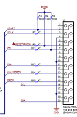
So, I have STM32F427 controller and I want to get data from ADC ADS1263 via SPI5 port .
I have used ADCPro and able to read ADC data successfully under ADC on PC.
For STM32 case I decided to use the simplest setup (positive active serial data, data active on falling edge, but 16-bit SPI word):
(I also checked simple SPI loop-back - shorting MOSI and MISO - this works ok.)
Write Reset (06h) command to ADC
Write Read Register #0 (20h 00h)
read data from register #0 - 16 bit
Write Start ADC1 conversions (08h)
all this is rendered on pic #1
Read Register command (2000h) looks unsuccessful, as I can not see ADC ID from register #0. Ok.
After initialization I try to read data from ADC via writing 16-bit command "Start conversion" 0x0012h. This is rendered on pic #2.
And further - I'm reading 3 x 16bit words. And I always read 210000h.
So, as I'm not sure if Read Register command works well, I'm not sure ADC readings are meaningful.
Anyway, previously I was able to use this SPI5 port for 16-bit word exchange, so looks like I do something wrong. Please suggest me where I'm wrong.





