This thread has been locked.

If you have a related question, please click the "Ask a related question" button in the top right corner. The newly created question will be automatically linked to this question.

ADC12DJ5200-SP: how to use clock chip LMX2594RHAR and LMK04828BISQE/NOPB

Part Number: ADC12DJ5200-SP
Other Parts Discussed in Thread: LMX2594, LMK00304, LMK04828, ADC12DJ5200RF

Tool/software:

Hi, 

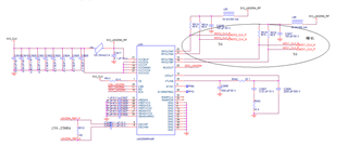
     we use 2pcs ADC12DJ5200-SP, and use clock chip LMX2594RHAR and LMK04828BISQE/NOPB, please help us check how to achieve clock output below diagram.

 and help review ADC12DJ5200-SP schematic, thanks!

DDH_1220.pdf