This thread has been locked.

If you have a related question, please click the "Ask a related question" button in the top right corner. The newly created question will be automatically linked to this question.

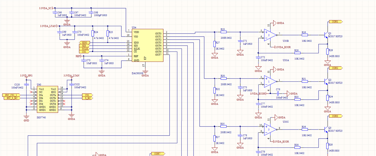
DAC60508: Is there any difference in the application code between DAC60508 and DAC80508 Components?

Part Number: DAC60508
Other Parts Discussed in Thread: DAC80508

Is there any difference in the application code between DAC60508 and DAC80508 Components?

I'm Implementing a DAC60508 component in a project, but without sucess so far, the pin 15 (SDO/ALRM) is always at the high level.

So, my company purchased a "DACx0508 Evaluation Module" development board that came with a DAC80508 CI.
I was able to do the communication with the development board through a SPI bus and it worked. I need to make sure if the problem is my written code or if the DAC60508 component is not accepting my code. So, I exchanged the DAC80508 CI By a DAC60508 CI, and my code with this CI (DAC60508) are not working, because the pin 15 (SDO/ALRM) is always at the high leve.

To need get this project done, I really need to use the DAC60508 component.

Why the communication is running with DAC80508 and not with DAC60508?

What a I need to do communicaticate get this done?