Other Parts Discussed in Thread: DLPC3430
Tool/software:
Hello,
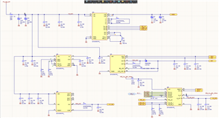
We have implemented a system using the DLP3430 and DLPA2000. However, we’re encountering an issue when setting the display brightness to maximum. When this happens, the display freezes and turns black and white. We performed some measurements, and the waveform on the VLED pin is as shown in the attached image. Additionally, when this occurs, the V6V signal drops to 0 volts for a brief period.
Could someone provide assistance with this issue? Thank you in advance!



