Part Number: TPD4E001
Hello,
We're using the TPD4E001 in a new design and are getting marginal failures: 2 out of 15 boards is failing.
We're only operating at 100Mbps. Is this a capacitance issue? Should we use a different device?
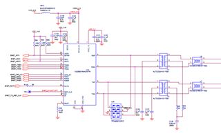
Here is the schematic snippet:

Here are the o-scope shots (working 1st and not working 2nd):


Thanks so much for your help. Keith