Part Number: TPS25810
Hi,
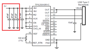
Looking for confirmation for TPS25810 integration .
There are 3 input capacitors 47uF in the IN1 pin. Because we have already connected 2 solid capacitors 680uF to get the better ripple voltage. In this case, does it still need 3 x 47uF capacitors here?

Guidelines appreciated,
Thank you,