Other Parts Discussed in Thread: DS90UH984-Q1
Hi Team,
There is a good new that we DIN DS90UB948-Q1 !
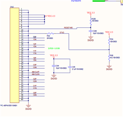
I mainly want to confirm whether the connection between DS90UB948-Q1 and the customer's panel is correct!
Could you tell me how to check? THX
Figure 1 below is the panel's connect used by RD,



