This thread has been locked.

If you have a related question, please click the "Ask a related question" button in the top right corner. The newly created question will be automatically linked to this question.

MAX3232E: Potential Causes of R1IN (pin 13) Failure

Part Number: MAX3232E


Hi All,

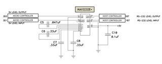
I have a board that uses the MAX3232E chip to drive communication between an on-board micro controller and a host controller that is connected through a cable.

This board has been in production and working well for about 4 years, but over the past year I have started to see failures where the R1IN pin has a low resistance path to ground (about 2 to 200 ohm).

This path to ground seems to be internal to the 3232E chip, as the path goes away if I remove the chip from the board.

About half of the failures occur during a final integration test, and the other half occur in the field within a month or so.

For now I suspect the issue lies with our board manufacturing and/or testing.

Does anyone know what conditions might cause this sort of failure?

REF: schematic around 3232E chip:

REF: Voltage measurements on 3232E chip:

Thanks,

Roy

  • Roy,

    Is MAX3232E used at both sides of communication? Do you think there could be any change of the RIN input signal? RIN pins work with up to +/-25V. Another place to check is grounding. Although the issue is at RIN, I'm not sure if big ground potential difference could happen to cause the damage. 

  • Hi Hao,

    We use a MAX208CDW on the host side communication. I am fairly confident that the RIN input signal has not changed, but a grounding issue does seem plausible since RIN is the only externally driven pin. It could be possible that one of our integration test cables has a grounding issue... Thanks for the suggestion.