Part Number: DP83848I
Hi,
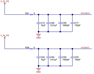
could you please help review the schematics especially for the unused pins.
This thread has been locked.
If you have a related question, please click the "Ask a related question" button in the top right corner. The newly created question will be automatically linked to this question.
Part Number: DP83848I
Hi,
could you please help review the schematics especially for the unused pins.
Hi Howard and Yashun,
We're taking a look at your schematic and will get back to you by Wednesday.
Thanks,
Lucas
All information in this correspondence and in any related correspondence is provided “as is” and “with all faults”, and it is subject to TI’s Important Notice (http://www.ti.com/corp/docs/legal/important-notice.shtml).
Hi Howard and Yashun,
Here is what we found after reviewing your schematic:



Thanks,
Lucas
All information in this correspondence and in any related correspondence is provided “as is” and “with all faults”, and it is subject to TI’s Important Notice (http://www.ti.com/corp/docs/legal/important-notice.shtml).
Thanks for your suggestion
1. RJ45 integrates net transformer and the shield will connect to shield GND
Hi Yashun,
You can refer to section 7.2.1.4 of the datasheet for the required specs of the magnetics.
Thanks,
Lucas
All information in this correspondence and in any related correspondence is provided “as is” and “with all faults”, and it is subject to TI’s Important Notice (http://www.ti.com/corp/docs/legal/important-notice.shtml).
Hi Yashun,
I haven't heard back from you in a while so I'll be closing this thread. Please open a new thread if you have further questions.
Thanks,
Lucas
All information in this correspondence and in any related correspondence is provided “as is” and “with all faults”, and it is subject to TI’s Important Notice (http://www.ti.com/corp/docs/legal/important-notice.shtml).