This thread has been locked.

If you have a related question, please click the "Ask a related question" button in the top right corner. The newly created question will be automatically linked to this question.

LMH1218: Factory Default Value is set will work for SDI standard Signal Level 800mv?

Part Number: LMH1218
Other Parts Discussed in Thread: LMH1219, LMH1297

Any one can help answer whether new LMH1218 will work with factory Default VALUE SET for SDI signal IN/OUT with standard 800mv with 75 Ohms Termination?

Or it is Mandatory to program through SPI or SMBus by Mode select?

Is it Factory Default setting value of LMH1218 while shipping is work for SDI signal Input and Output Signal Level at 800mV?

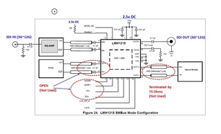
Below attached LHM1218 signal connection will work for 3G-12G  SDI signal? 

  • Greetings,

    I believe you want to use LMH1218 as a repeater and the configuration you noted it would work. I don't know what you mean by EQ AMP but typically customers use a 12G SDI equalizer such as LMH1219 for this function.

    Alternatively you can consider using LMH1297 instead of EQ AMP + LMH1218. This device has loop through option and provides the same or more functionality.

    Regards ,, Nasser

  • Hi Nasser,

    Thank you very much for your support and confirmation of LMH1218 will work as above diagram. I will proceed PCB pattern accordingly and will test a prototype PCB. If any difficult facing, I will come back to the forum.

    EQ-AMP means, as you mentioned similar like LMH1219. Your suggestion LMH1297 is good it have intergraded function of EQ+ReClocker+Cable Driver.

    Thank you once again.

    Regards,

    Raphael.