Part Number: DP83867IR
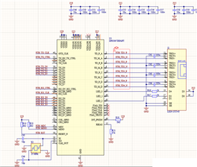
I originally had a PCB with a DP83867IRRGZT part. This worked fine from the off. Due to the part shortages I had to change the part to a DP83867IRPAPT. I just got the PCB back from manufacture but cant get the an active link. I have tested the supplies and the oscillator and they all look good. I can also see activity on the MDC and MDIO pins. I dont have any LED activity on the connector compared to the original board where I get it after power up. I have attached the schematic below. Can someone tell me if they can see any issues.The circuit is nearly identical to the previous part apart from a 1.1V supply and the JTAG dont have any pull up resistors. Thanks
