Other Parts Discussed in Thread: TIDA-00288
Ti 工程师您好,
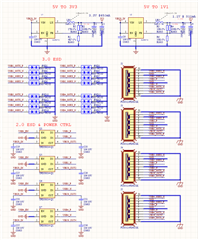
我参考TIDA-00288制作了一款TUSB8041hub 电脑端无法识别2.0端口。3.0端口可以正常使用
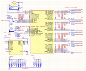
如下是电路原理图
更换过其他电脑测试,电脑端显示
请问是否有电脑端驱动程序或者配置工具才能显示USB2.0设备?
This thread has been locked.
If you have a related question, please click the "Ask a related question" button in the top right corner. The newly created question will be automatically linked to this question.
Ti 工程师您好,
我参考TIDA-00288制作了一款TUSB8041hub 电脑端无法识别2.0端口。3.0端口可以正常使用
如下是电路原理图
更换过其他电脑测试,电脑端显示
请问是否有电脑端驱动程序或者配置工具才能显示USB2.0设备?