This thread has been locked.

If you have a related question, please click the "Ask a related question" button in the top right corner. The newly created question will be automatically linked to this question.

DS90UH926Q-Q1: Abnormal display of UH926...

Part Number: DS90UH926Q-Q1
Other Parts Discussed in Thread: ALP

Hi Sir,

My customer found there is something wrong with the 926 display.

Please give me suggestion what point we need to check!

Thanks.

    

  • Hi Peter, 

    Thanks for your question. I'm going to need more information to debug/investigate further. 

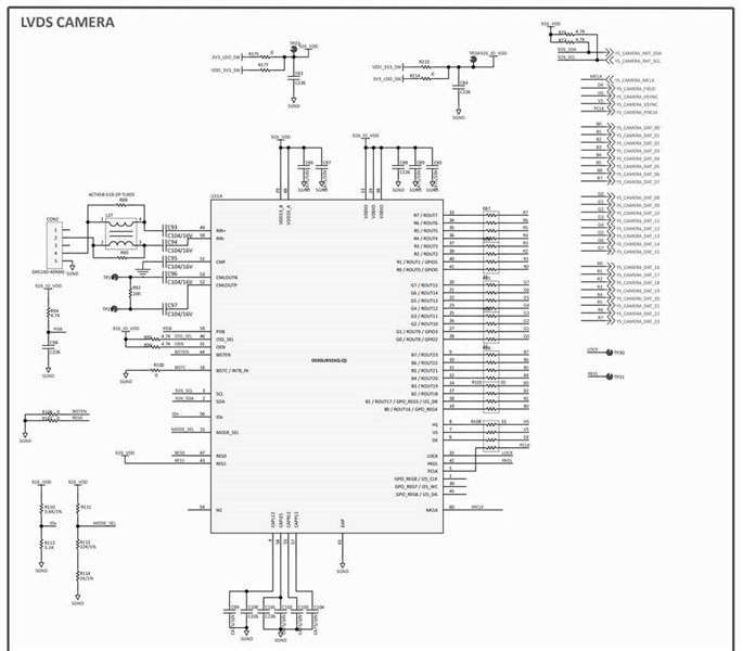
    • Can you provide block diagram of whole system? 
    • Does this happen when doing patgen from the SER or patgen from the 926?
    • Can you provide register dumps of both SER and DES? 
    • Does this happen in one off case, or every display? 

    Regards, 

    Logan

  • Hi Logan,

    Here are the files for your information.

    • Can you provide block diagram of whole system? 

    • Does this happen when doing patgen from the SER or patgen from the 926?

               Customer can’t do patgen from 925 because the unit is provided by our customer, the patgen of 962 looks normal, please see the attached video file of previous post.

    • Can you provide register dumps of both SER and DES? 

              

    0x00, 0x6F; 
    0x01, 0x04; 
    0x02, 0x00; 
    0x03, 0xF0; 
    0x04, 0xFE; 
    0x05, 0x1E; 
    0x06, 0x00; 
    0x07, 0x6E; 
    0x07, 0x18; 
    0x08, 0x00; 
    0x09, 0x00; 
    0x0A, 0x00; 
    0x0B, 0x00; 
    0x0C, 0x00; 
    0x0D, 0x00; 
    0x0E, 0x00; 
    0x0F, 0x00; 
    0x10, 0x00; 
    0x11, 0x00; 
    0x12, 0x00; 
    0x13, 0x00; 
    0x14, 0x00; 
    0x15, 0x00; 
    0x16, 0x00; 
    0x17, 0x00; 
    0x18, 0x00; 
    0x19, 0x01; 
    0x1A, 0x00; 
    0x1B, 0x00; 
    0x1C, 0x03; 
    0x1D, 0xA0; 
    0x1E, 0x00; 
    0x1F, 0x00; 
    0x20, 0x00; 
    0x21, 0x00; 
    0x22, 0x42; 
    0x23, 0x10; 
    0x24, 0x08; 
    0x25, 0x00; 
    0x26, 0x83; 
    0x27, 0x84; 
    0x28, 0x00; 
    0x29, 0xE0; 
    0x29, 0x00; 
    0x2A, 0x00; 
    0x2B, 0x00; 
    0x2C, 0x00; 
    0x2D, 0x00; 
    0x2E, 0x00; 
    0x2F, 0x00; 
    0x30, 0x00; 
    0x31, 0x00; 
    0x32, 0x10; 
    0x33, 0x25; 
    0x34, 0xFA; 
    0x35, 0x00; 
    0x36, 0x00; 
    0x37, 0x00; 
    0x38, 0x00; 
    0x39, 0x00; 
    0x3A, 0x00; 
    0x3B, 0x00; 
    0x3C, 0x00; 
    0x3D, 0xA0; 
    0x3E, 0x00; 
    0x3F, 0x10; 
    0x40, 0x43; 
    0x41, 0x03; 
    0x42, 0x03; 
    0x43, 0x00; 
    0x44, 0x30; 
    0x45, 0x70; 
    0x46, 0x00; 
    0x47, 0x00; 
    0x48, 0x0F; 
    0x50, 0x03; 
    0x51, 0x10; 
    0x52, 0x00; 
    0x53, 0x01; 
    0x54, 0x80; 
    0x55, 0x00; 
    0x56, 0x08; 
    0x57, 0x00; 
    0x58, 0x00; 
    0x59, 0x3F; 
    0x5A, 0x20; 
    0x5B, 0x20; 
    0x5C, 0x00; 
    0x5D, 0x00; 
    0x5E, 0x00; 
    0x5F, 0x00; 
    0x60, 0x00; 
    0x61, 0x00; 
    0x62, 0x00; 
    0x63, 0x00; 
    0x64, 0x10; 
    0x65, 0x00; 
    0x66, 0x00; 
    0x67, 0x00; 
    0x68, 0x00; 
    0x69, 0x00; 
    0x70, 0x00; 
    0x71, 0x00; 
    0x72, 0x00; 
    0x73, 0x07; 
    0x74, 0x07; 
    0x75, 0x08; 
    0x76, 0x00; 
    0x77, 0x00; 
    0x78, 0x00; 
    0x79, 0x00; 
    0x7A, 0x00; 
    0x7B, 0x00; 
    0x7C, 0x02; 
    0x80, 0x00; 
    0x81, 0x00; 
    0x82, 0x00; 
    0x83, 0x00; 
    0x84, 0x00; 
    0x90, 0x00; 
    0x91, 0x00; 
    0x92, 0x00; 
    0x93, 0x00; 
    0x94, 0x00; 
    0x98, 0x00; 
    0x99, 0x00; 
    0x9A, 0x00; 
    0x9B, 0x00; 
    0x9C, 0x00; 
    0x9D, 0x00; 
    0x9E, 0x00; 
    0x9F, 0x00; 
    0xC0, 0x00; 
    0xC1, 0x00; 
    0xC4, 0x00; 
    0xC5, 0x00; 
    0xC8, 0x40; 
    0xC9, 0x00; 
    0xCA, 0x00; 
    0xCB, 0x00; 
    0xCC, 0x00; 
    0xE0, 0x00; 
    0xE1, 0x00; 
    0xE2, 0x00; 
    0xE3, 0x00; 
    0xF0, 0x5F; 
    0xF1, 0x55; 
    0xF2, 0x42; 
    0xF3, 0x39; 
    0xF4, 0x32; 
    0xF5, 0x36; 
    0xF6, 0x00; 
    0xF8, 0x00; 
    0xF9, 0x00; 
    
    0x18,0x00,0x00,0xd2,0x80,0x00,0x58,0x00,0x00,0x00,0x00,0x00,0x05,0xa0,0x00,0x00,
    0x00,0x00,0x00,0x10,0x00,0x00,0xfe,0x5e,0xa1,0xa5,0x00,0x00,0x00,0x00,0x00,0x00,
    0x00,0x00,0x25,0x00,0x00,0x00,0x00,0x00,0x00,0x24,0x00,0xa0,0x00,0x00,0x00,0x00,
    0x03,0x10,0x00,0x00,0x00,0x00,0x08,0x34,0x00,0x0a,0x20,0x21,0x00,0x00,0xf0,0x00,
    0x00,0x00,0x00,0x00,0x00,0x00,0x00,0x00,0x00,0x00,0x00,0x00,0x00,0x00,0x00,0x00,
    0x20,0x00,0x00,0x00,0x00,0x00,0x00,0x00,0x00,0x00,0x00,0x00,0x00,0x00,0x00,0x00,
    0x00,0x00,0x00,0x00,0x10,0x00,0x00,0x00,0x00,0x00,0x00,0x00,0x00,0x00,0x00,0x00,
    0x00,0x00,0x00,0x00,0x00,0x00,0x00,0x00,0x00,0x00,0x00,0x00,0x00,0x00,0x00,0x00,
    0x00,0x00,0x00,0x00,0x00,0x00,0x00,0x00,0x00,0x00,0x00,0x00,0x00,0x00,0x00,0x00,
    0x00,0x00,0x00,0x00,0x00,0x00,0x00,0x00,0x00,0x00,0x00,0x00,0x00,0x00,0x00,0x00,
    0x00,0x00,0x00,0x00,0x00,0x00,0x00,0x00,0x00,0x00,0x00,0x00,0x00,0x00,0x00,0x00,
    0x00,0x00,0x00,0x00,0x00,0x00,0x00,0x00,0x00,0x00,0x00,0x00,0x00,0x00,0x00,0x00,
    0x00,0x00,0x80,0x00,0x38,0x00,0x00,0x60,0x40,0x00,0x00,0x00,0x00,0x00,0x00,0x00,
    0x00,0x00,0x00,0x00,0x00,0x00,0x00,0x00,0x00,0x00,0x00,0x00,0x00,0x00,0x00,0x00,
    0x00,0x00,0x00,0x00,0x00,0x00,0x00,0x00,0x00,0x00,0x00,0x00,0x00,0x00,0x00,0x00,
    0x5f,0x55,0x42,0x39,0x32,0x35,

    • Does this happen in one off case, or every display? 

               Every display.

    BTW, for the impedance matching, what kind of meter needs for checking? LRC meter?

    Thanks.

  • Hello Logan,

    I also encountered a similar problem here, is there any document about the cable characteristic requirement between 925 & 926?

  • Hi Peter, 

    • Please help me understand the project background, is this a customer return case where a few of many units have issue; or is this in development and no displays work given the current configuration (script, hw, etc)?
    • Can you provide start-up waveforms including power rails and PDB signal?
    • Is lock signal stable?
    for the impedance matching, what kind of meter needs for checking? LRC meter?

    What do you mean for impedance matching? Typically, simulation of the PCB is used to verify impedance and insertion/return loss specifications.

    I don't see anything sticking out in register dumps provided.

    Regards, 

    Logan

  • Hi Logan,

    Reply your questions as below.

    1. This is new development project and the camera(925 side) was provided by their customer. they just use cable to connect with camera and system(926) 

    2. For the startup waveform, will provide it later once available.

    3. The LOCK signal is unstable and will change to low sometimes.

    What customer wants to know is, what kind of test/debug they can do from hardware or software?

    How to check if the problem is from 925 or 926?

    If customer wants to measure actually hardware route/impedance, what kind of instrument they can use? LCR meter can help them or not?

    Is there any document about the measurement spec. for customer reference?

    Thanks.   

  • Hi Peter, 

    If the link is unstable, this likely explains why there are flicker/image issues on the display.

    I recommend to do a Margin Analysis test in 926 ALP. This will give an idea on the margin the link has, and if there are SI issues.

    Margin Analysis Program Tool

    Insertion and return loss are what need simulated / measured with network analyzer and verified to meet device and link specification. (more info can be found here: https://training.ti.com/ti-precision-labs-fpd-link-transmission-channel-basics)

    Regards, 

    Logan

  • Dear Sir,

    The customer also did some modifications and make sure the LOCK signal keeps high, then they try to shake and make large display content change for sensor.

    After few seconds, the display will become abnormal again.(around at 30sec of the video clip).

    FYI and please help.

    Thanks.

  • Hi Peter, 

    Does LOCK go low when the abnormal image appears? Can you measure LOCK pin with a scope or signal analyzer while watched the screen output, and see if there is correlation? 

    Can you provide the results of the MAP tool as requested before? 

    Thanks, 

    Logan

  • Hi Logan,

    The LOCK pin always keeps high even issue happened!

    MAP result as below.

    Thanks.

  • Hi Peter, 

    The LOCK pin always keeps high even issue happened!

    Thanks for verifying. What actions were done to improve the lock integrity? 

    Can you provide register dump during normal condition, then also after abnormal output begins so we can compare? 

    Regards, 

    Logan

  • Hi Logan,

    Customer did not do any action for LOCK pin, maybe they just measured the wrong pin at the first time.

    Customer just did some tuning of 926 setting this time.

    As customer test, while the output is abnormal, the setting of 926 keeps the same with normal output.

    The setting dump is attached.

    Please help to advise.

    Thanks.

    0x0000, 0x58;//		I2C Device ID
    0x0001, 0x04;//		Reset
    0x0002, 0x00;//		General Configuration 0
    0x0003, 0xF8;//		General Configuration 1
    0x0004, 0xFE;//		BCC Watchdog Control
    0x0005, 0x1E;//		I2C Control 1
    0x0006, 0x00;//		I2C Control 2
    0x0007, 0x18;//		REMOTE ID
    0x0008, 0x00;//		SlaveID[0]
    0x0009, 0x00;//		SlaveID[1]
    0x000A, 0x00;//		SlaveID[2]
    0x000B, 0x00;//		SlaveID[3]
    0x000C, 0x00;//		SlaveID[4]
    0x000D, 0x00;//		SlaveID[5]
    0x000E, 0x00;//		SlaveID[6]
    0x000F, 0x00;//		SlaveID[7]
    0x0010, 0x00;//		SlaveAlias[0]
    0x0011, 0x00;//		SlaveAlias[1]
    0x0012, 0x00;//		SlaveAlias[2]
    0x0013, 0x00;//		SlaveAlias[3]
    0x0014, 0x00;//		SlaveAlias[4]
    0x0015, 0x00;//		SlaveAlias[5]
    0x0016, 0x00;//		SlaveAlias[6]
    0x0017, 0x00;//		SlaveAlias[7]
    0x0018, 0x00;//		Reserved
    0x0019, 0x01;//		Reserved
    0x001A, 0x00;//		Reserved
    0x001B, 0x00;//		Reserved
    0x001C, 0x03;//		Reserved
    0x001D, 0xA0;//		GPIO[0] Config
    0x001E, 0x00;//		GPIO[1] and GPIO[2] Config
    0x001F, 0x00;//		GPIO[3] and GPIO[4] Config
    0x0020, 0x00;//		GPIO[5] and GPIO[6] Config
    0x0021, 0x00;//		GPIO[[7] and GPIO[8] Config
    0x0022, 0x42;//		Datapath Control
    0x0023, 0x10;//		Reserved
    0x0024, 0x08;//		BIST Control
    0x0025, 0x00;//		BIST ERROR COUNT
    0x0026, 0x83;//		SCL High Time
    0x0027, 0x84;//		SCL Low Time
    0x0028, 0x00;//		Reserved
    0x0029, 0x00;//		FRC Control
    0x002A, 0x00;//		White Balance Control
    0x002B, 0x00;//		Reserved
    0x002C, 0x00;//		SSCG Test Mode
    0x002D, 0x00;//		Reserved
    0x002E, 0x00;//		Reserved
    0x002F, 0x00;//		Reserved
    0x0030, 0x00;//		Reserved
    0x0031, 0x00;//		Reserved
    0x0032, 0x10;//		Reserved
    0x0033, 0x25;//		Reserved
    0x0034, 0xFA;//		Reserved
    0x0035, 0x00;//		Reserved
    0x0036, 0x00;//		Reserved
    0x0037, 0x00;//		Reserved
    0x0038, 0x00;//		Reserved
    0x0039, 0x00;//		Reserved
    0x003A, 0x00;//		I2S_DIVSEL
    0x003B, 0x02;//		Reserved
    0x003C, 0x00;//		Reserved
    0x003D, 0xA0;//		Reserved
    0x003E, 0x00;//		Reserved
    0x003F, 0x10;//		Reserved
    0x0040, 0x43;//		Reserved
    0x0041, 0x03;//		LINK ERROR COUNT
    0x0042, 0x03;//		Reserved
    0x0043, 0x00;//		Reserved
    0x0044, 0x30;//		ADAPTIVE EQ
    0x0045, 0x70;//		Reserved
    0x0046, 0x00;//		Reserved
    0x0047, 0x00;//		Reserved
    0x0048, 0x0F;//		Reserved
    0x0050, 0x03;//		Reserved
    0x0051, 0x10;//		Reserved
    0x0052, 0x00;//		Reserved
    0x0053, 0x01;//		Reserved
    0x0054, 0x80;//		Reserved
    0x0055, 0x00;//		Reserved
    0x0056, 0x08;//		Reserved
    0x0057, 0x00;//		Reserved
    0x0058, 0x00;//		Reserved
    0x0059, 0x3F;//		Reserved
    0x005A, 0x20;//		Reserved
    0x005B, 0x20;//		Reserved
    0x005C, 0x00;//		Reserved
    0x005D, 0x00;//		Reserved
    0x005E, 0x00;//		Reserved
    0x005F, 0x00;//		Reserved
    0x0060, 0x00;//		Reserved
    0x0061, 0x00;//		Reserved
    0x0062, 0x00;//		Reserved
    0x0063, 0x00;//		Reserved
    0x0064, 0x10;//		PGCTL
    0x0065, 0x00;//		PGCFG
    0x0066, 0x1A;//		PGIA
    0x0067, 0x00;//		PGID
    0x0068, 0x30;//		Reserved
    0x0069, 0x00;//		Reserved
    0x0070, 0x00;//		Reserved
    0x0071, 0x00;//		Reserved
    0x0072, 0x00;//		Reserved
    0x0073, 0x07;//		Reserved
    0x0074, 0x07;//		Reserved
    0x0075, 0x08;//		Reserved
    0x0076, 0x00;//		Reserved
    0x0077, 0x00;//		Reserved
    0x0078, 0x00;//		Reserved
    0x0079, 0x00;//		Reserved
    0x007A, 0x00;//		Reserved
    0x007B, 0x00;//		Reserved
    0x007C, 0x02;//		Reserved
    0x0080, 0x00;//		Reserved
    0x0081, 0x00;//		Reserved
    0x0082, 0x00;//		Reserved
    0x0083, 0x00;//		Reserved
    0x0084, 0x00;//		Reserved
    0x0090, 0x00;//		Reserved
    0x0091, 0x00;//		Reserved
    0x0092, 0x00;//		Reserved
    0x0093, 0x00;//		Reserved
    0x0094, 0x00;//		Reserved
    0x0098, 0x00;//		Reserved
    0x0099, 0x00;//		Reserved
    0x009A, 0x00;//		Reserved
    0x009B, 0x00;//		Reserved
    0x009C, 0x00;//		Reserved
    0x009D, 0x00;//		Reserved
    0x009E, 0x00;//		Reserved
    0x009F, 0x00;//		Reserved
    0x00C0, 0x00;//		Reserved
    0x00C1, 0x00;//		Reserved
    0x00C4, 0x00;//		Reserved
    0x00C5, 0x00;//		Reserved
    0x00C8, 0x40;//		Reserved
    0x00C9, 0x00;//		Reserved
    0x00CA, 0x00;//		Reserved
    0x00CB, 0x00;//		Reserved
    0x00CC, 0x00;//		Reserved
    0x00E0, 0x00;//		Reserved
    0x00E1, 0x00;//		Reserved
    0x00E2, 0x00;//		Reserved
    0x00E3, 0x00;//		Reserved
    0x00F0, 0x5F;//		HDCP_RX_ID0
    0x00F1, 0x55;//		HDCP_RX_ID1
    0x00F2, 0x42;//		HDCP_RX_ID2
    0x00F3, 0x39;//		HDCP_RX_ID3
    0x00F4, 0x32;//		HDCP_RX_ID4
    0x00F5, 0x36;//		HDCP_RX_ID5
    0x00F6, 0x00;//		Reserved
    0x00F8, 0x00;//		Reserved
    0x00F9, 0x00;//		Reserved
    

  • Hi Peter, 

    If 926 registers dumps are identical before and after issue appearing, there is still not a lot to go off of. 

    Can you also provide the serializer/camera side register dump before and after the issue appears? 

    I will take a closer look at the provided registers to see if anything sticks out. 

    Regards, 

    Logan