This thread has been locked.

If you have a related question, please click the "Ask a related question" button in the top right corner. The newly created question will be automatically linked to this question.

FPC202: Not able to connect to certain QSFPDD modules using FPC202

Part Number: FPC202

Hi,

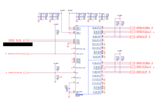
We are using the FPC202 on our Agilex I-Series PCIe development kit where it is connected to your FPC202 device which in turn is connected to 2 QSFPDD modules on the board. 

Using default self-address (address 0x1 set to 0x3F (power-up value)) or setting address 0x1 to 0x1E I am able to connect to certain QSFP-DD modules and read out their information using respectively 7-bit address (0x78)/8-bit address (0xF0) for port 0 and 7-bit address (0x7C)/8-bit address 0xF8 for PORT1. 

I can access successfully a Multilane QSFP-DD electrical loopback as well as Innolight SR8 module. Using a Molex 2.5 meter DAC cable or another optical module however any read's I do end up with I2C not acknowledge and wrong data. 

When I use the same I2C implementation (from application point of view) on another board not using the FPC202 but directly connected to the modules I can read out successfully all modules and cables. 

The way I understand it is the FPC202 should be transparent to the user but apparently this is not really the case. Any idea what else would be required to get it work?

Thanks.

Below screenshot of how the FPC202 is connected

 

Regards,