This thread has been locked.

If you have a related question, please click the "Ask a related question" button in the top right corner. The newly created question will be automatically linked to this question.

DP83822I: phy address

Part Number: DP83822I
Other Parts Discussed in Thread: AM5708, AM5728

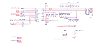
hardware: AM5708, PRU1 with two dp83822,PRU2 with one dp83822

when I initialize dp83822 connected to PRU1(one dp83822's cols connect to ground,another not),two dp83822's address are 0 and 1.

But when I initialze dp83822 connect to PRU2(col not connect to fround), the address is 0x1F.According to datesheet, the address should be 1, I doubt that it's connect?