Part Number: DS90UB933-Q1
Other Parts Discussed in Thread: DS90UB934-Q1,
hi Teams:
How can ds90ub933-q1 and ds90ub934-q1 output bt656 in BIST mode?
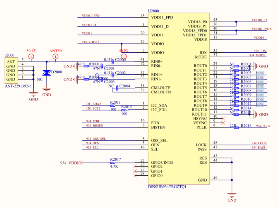
The following is the schematic diagram of ds90ub934-q1.
Ds90ub933-q1 uses ti's development board (not connected to camera)
