Part Number: TUSB2036
Hi Team,
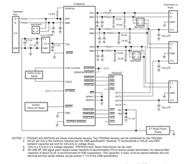
We would like to ask your help regarding the issue with TUSB2036 on our customer's board. According to our customer,
I have a board based on a sama5d27 som1 from microchip and it's based on an embedded linux. On it, i have a usb device and a usb host.
When i put the hub on the board, the usb device is not working at all anymore. I get an enumeration issue but when i remove the hub,it perfectly works.
Not sure about the NPINTx and NP3 pins implementation
Regards,
Danilo


