Part Number: TPS25850-Q1
Hello,
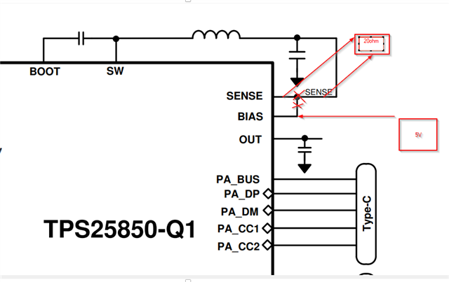
To measure the loop response of TPS25850-Q1, is it OK simply to do a general measurent as the same as conventional DCDC convertor with RINJ added as shown in the below diagram?

RINJ is as shown in the below figure from:https: //www.ti.com/seclit/ml/slup386/slup386.pdf

Thanks!
Regards,
Oguri (TIJ automotive FAE)
