Other Parts Discussed in Thread: LMH1297
- Would a polarity swap in the on the PHY lines cause an issue with the Line driver? Is there a way to hardcode a polarity swap without touching the JTAG pins?
- We are not sure if SGMII has actually been enabled properly. How is it intended to hardwire it to be in SGMII mode?
- Is it recommended therefore to hard enable autonegotiation on the PHY, if there is a polarity or Tx/Rx swap?
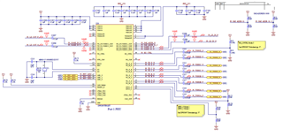
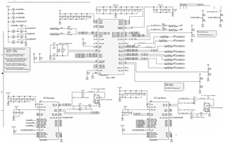
The Ethernet line is running at 1000BaseT
The application is takes a coax ethernet signal thats processed by the LMH1297 line driver in single cable mode. Cable driver is used for Tx and Equalizer is used for Rx, and two LMH1297s handle TX and RX separately.
What are the recommended modes of operation for the LMH1297 in such an application?







Hillman,

