Part Number: DS90UB949-Q1
Question 1:
1.Can the internal EDID of 949 be overwritten?
At present, we can only read this data but cannot rewrite it (the EDID is read as shown in the figure below).
If it can be rewritten, please tell us the method (whether it is necessary to set registers or what kind of hardware design is required)?

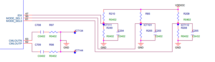
Question 1:We installed an EEPROM on DS90UB949-Q1 and wrote it into EDID.
However, after power on, the PC couldn't read the EDID through HDMI.
Could you please change the hardware or storage to solve this problem. Our hardware is as follows







