Other Parts Discussed in Thread: TPS65988, TPS25750
Hi,
I am designing a custom board to source power using USB C ports to two sink devices and I am very close to finishing my design. I need the following information if someone can provide me
- What is the function of the FTDI circuit on the EVM board? ( To communicate with GUI to upload configuration?)
- Is there some OTS FTDI board available that I can use for custom PCB to save space? What should I consider while choosing the FTDI board?
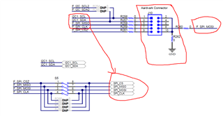
Following are the FTDI connection with the rest of the circuit on EVM
FTDI BOARD CONNECTIONS
- SPI MISO
- SPI CLK
- SPI MOSI
- SPI CS
- I2C1_SCL
- I2C1_SDA
- What is the function of DEBUG header pins on the EVM board? Do I really need them at any stage for programming or configuring?
- What is the function of the Current Sense Circuit?
- Can I configure TPS65988 with Aardvark instead of FTDI?
https://ftdichip.com/product-category/products/




