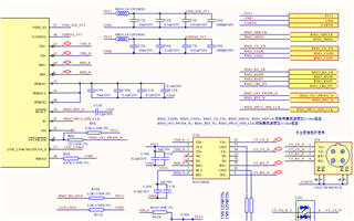
Part Number: TLK105L
Fault status: "The LED LINK indicator does not flash, and the upper computer cannot catch the data packet. Change the chip to a good board, and the fault is transferred. Change the chip to test OK at this position, and the fault disappears."
From July 2020 to March 8, 2023, a total of 159968 chips were used, of which 12 chips had this fault.
This is the relevant schematic diagram. Please help me analyze it. Thank you!






