Part Number: TMDS181
Other Parts Discussed in Thread: SN65DP159
Hello TI,
We wanted to setup the HDMI video output through our port to a 4k screen.
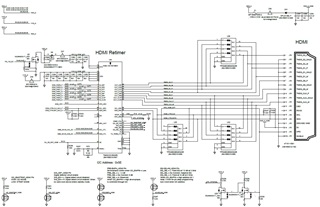
TMDS181 is between the intel GPU and HDMI output port to retime the signals.
Following are the processed completed however the retimer is not able to output the 4k video modes.
1. power up VCC and VDD with 3.3V and 1.2V with less than maximum delay between them as given in the power up seq.
2. apply the OE high with IO after almost 1 second delay.
3. read the device ID 0x00 to 0x07 correctly.
4. write register 0x0Ah to 0x32 fir the source mode and retimer based on the 'TMDS_CLOCK_RATIO_STATUS'.
for a test, we also wrote 0x0Ah to 0x33h as fixed retimer mode. Both tests failed to provide the 4k resolution options.
thanks!
