Other Parts Discussed in Thread: AM625
Dear TI ,

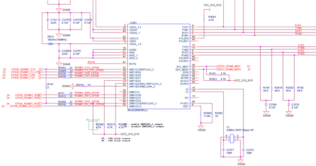
Device tree:


AM62 ip :192.168.10.99
computer ip : 192.168.10.1
In AM62x device run command : ping 192.168.10.1
test result : It can't ping successfully.
Am I overlooking something in the RMII mode setting?





