Part Number: TLIN1024A-Q1
Other Parts Discussed in Thread: TLIN1024-Q1
Hi,
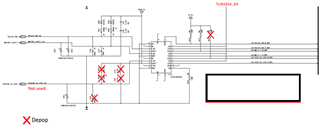
My customer has a TLIN1024A-Q1 question. In 'high content' vehicles they use all the channels but on the 'low content' vehicles they only use two. What changes would need to occur for the different versions? Are the changes on the schematic shared in the post the right changes?

Thanks,
Tom

