This thread has been locked.

If you have a related question, please click the "Ask a related question" button in the top right corner. The newly created question will be automatically linked to this question.

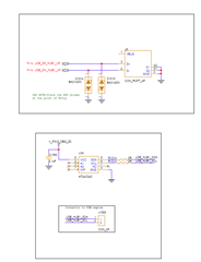
TUSB4041I-Q1: Schematics design for review

Part Number: TUSB4041I-Q1

For an Automotive project we need to add a USB debug and HUB. Please review the schematics and share your comments. Is this the right forum for review, is there any other option for TI,because i cannot share much information related to the project.TUSB4041-Q1