Hello TI teams,
Could you pleases help to review the sechemetic of DS90C189-Q1, just for CMS application.
thanks!

This thread has been locked.
If you have a related question, please click the "Ask a related question" button in the top right corner. The newly created question will be automatically linked to this question.
Hello TI teams,
Could you pleases help to review the sechemetic of DS90C189-Q1, just for CMS application.
thanks!

Howdy!
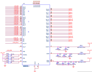
Some of the capacitors connected to the different VDD outputs are missing/do not have the correct values according to the EVM User Guide.
- Connected to the VDDTX pin, there should be one 10uF cap, one 1uF cap, and two 0.1uF caps all in parallel
- Connected to the VDDP pin, cap C357 should be 1uF instead of 0.01uF. In addition to this, this pin is missing an extra 0.1uF cap in parallel.
- Connected to the VDD1 and VDD2 pins, there should be three 0.1uF caps, one 1uF cap, and one 10uF cap all in parallel. Your current configuration seems to be missing a cap and the values are off.
Your PDB pin does not seem to be connected to either a pull up resistor or a grounded cap. This, is needed to ensure that PDB is not powered high before VDD is high. For example, a 1k Ohm resistor could be connected between VDD and the PDB input and a 10uF cap could be connected between the PDB input and ground For reference on the PDB power up sequence, please see figure 7-6 in this device's datasheet.
Additionally, your VODSEL, RFB, and MODE0 pins should be connected to a 10uF cap between their inputs and ground as well.
Lastly, it looks like one of your RGB inputs is mapped to the wrong pin as In_27 is left open. For the color inputs, there should be 25 total bits: 24 bits for color and 1 bit for a general purpose or L/R control bit.
This device's EVM User Guide has additional information on schematics, but if you have any other questions, please let me know.
Best,
Cameron Carlson