Part Number: SN75176B
Hi team,
Could you help review the schematic as below picture? thx
The customer seems some problems here. pls check to make sense or not. thx


This thread has been locked.
If you have a related question, please click the "Ask a related question" button in the top right corner. The newly created question will be automatically linked to this question.
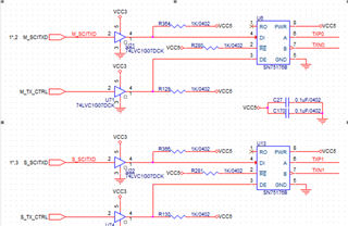
Part Number: SN75176B
Hi team,
Could you help review the schematic as below picture? thx
The customer seems some problems here. pls check to make sense or not. thx


Hi Jimmy,
There is nothing "wrong" with the schematic per se, as Clemens mentioned there are no termination resistors which may or may not actually cause problems depending on exact device setup.
Can you please elaborate on the problems that the customer is seeing - scope shots would always be very helpful for us to see the issue.
Best,
Parker Dodson