Other Parts Discussed in Thread: HD3SS3212, TMUXHS4212

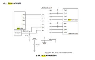
Can this model be used for PCIE 1:2,?the input mentioned on the block diagram can be PCIE control, output one is PCIE, another one is USB control ? can it output two PCIE control?
Is there a PCIE3.0 switch, one input and two outputs?